

作品包括:
Word版说明书1份,共35页,约14000字
开题报告一份
文献综述一份
CAD版本图纸,共9张
摘要
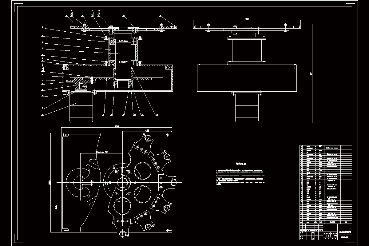
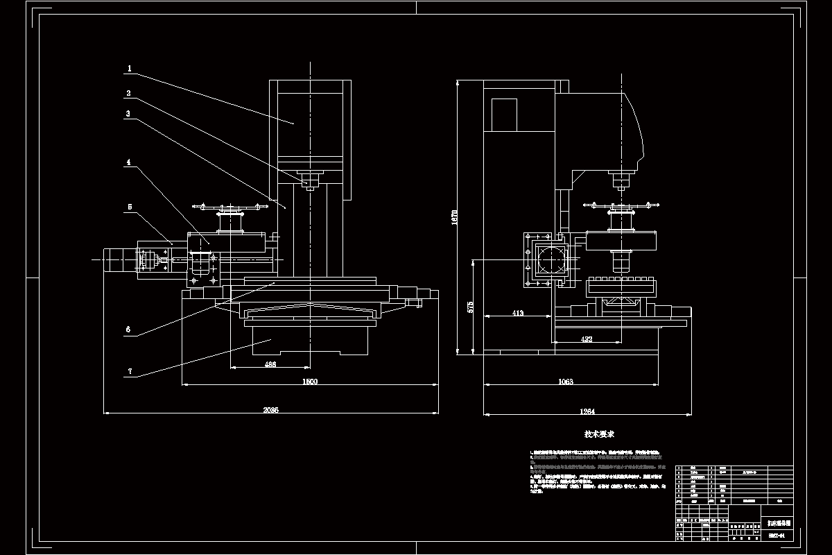
加工中心的自动换刀系统,通常是由刀库和自动换刀机构组成,它是加工中心的象征,也是加工中心的关键环节。本课题主要进行小型立式加工中心自动换刀装置总体结构及刀库设计。总体设计方面,分析设计要求,拟定总体方案,进行加工中心总体结构、传动系统、自动换刀系统、控制系统等设计。零部件设计方面,通过对不同种类的刀库比较,确定刀库的类型为立式回转刀库,采用了马氏槽轮,将电机轴的均速转动转换为回转盘的周期性间歇运动,带动回转盘的旋转分度实现自动换刀,并对自动换刀装置对应的结构进行计算分析,特别是对刀盘结构部分(包括刀盘、夹爪)、刀库旋转定位机构(包括旋转手臂、槽轮、锁止盘)以及刀库的主要零件(包括轴承套、轴、箱体)进行了详细的分析。该回转刀库上的夹爪采用了钩手结构,钩手的顶柱在弹簧的挤压作用下锁定待换刀的刀柄。同时拟定该刀库的换刀方案并进行评审,采用伺服电机,通过滚珠丝杆螺母机构,带动回转刀库在水平方向上进行移动,以配合刀库的换刀动作。
温馨提示:
1、题目前面的备注【字母数字编号】为本站整理分类的编号,与课题内容无关,请选题时忽视;
2、若题目上备注三维,则表示文件里包含三维源文件,由于三维组成零件数量较多,为保证预览截图的简洁性,本站将三维文件夹进行了打包。三维及CAD预览截图,均为本站电脑打开软件进行截图的,保证能够打开,下载原件超高清,下载后解压即可;
3、本站所有资源如无特殊说明,都需要本地电脑安装Office2007。图纸软件为AutoCAD,PROE,UG,SolidWorks,CATIA等;
4、本站所有图文资料仅供用户学习参考,不作为任何商用或其他用途;
5、本站不保证下载资源的准确性、安全性和完整性, 不包修改,不支持退换,同时也不承担用户因使用这些下载资源对自己和他人造成任何形式的伤害或损失;
6、 下载文件中如有侵权或不适当内容,请与我们联系,我们立即纠正。