

作品包括:
Word版设计说明书1份
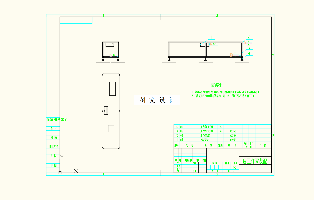
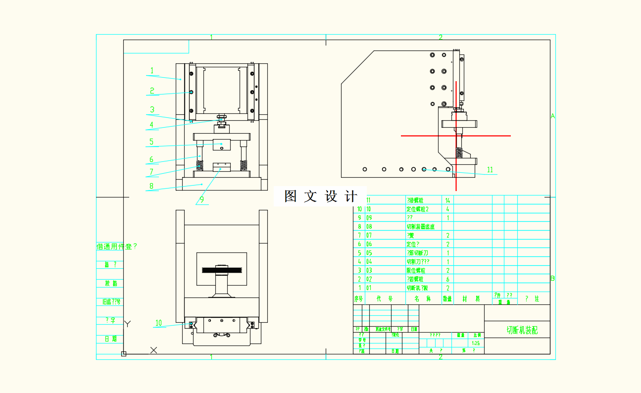
CAD版本图纸,共7张
摘要
工程机械是现代建筑行业高速发展的时代新产物。相比于传统机械,现阶段的工程机械具有自动化、全机械化的特征,将其应用于实际施工中不仅能够提高施工及生产效率,还能够降低人力、物力等生产成本,对建筑行业的发展提供方向。因此,应用于建筑行业的工程机械的发展水平已经逐步成为建筑行业发展水平的重要衡量标准。故本次设计主要针对建筑机械开展相关的设计与研究,对建筑行业应用具有实际工程意义。
温馨提示:
1、题目前面的备注【字母数字编号】为本站整理分类的编号,与课题内容无关,请选题时忽视;
2、若题目上备注三维,则表示文件里包含三维源文件,由于三维组成零件数量较多,为保证预览截图的简洁性,本站将三维文件夹进行了打包。三维及CAD预览截图,均为本站电脑打开软件进行截图的,保证能够打开,下载原件超高清,下载后解压即可;
3、本站所有资源如无特殊说明,都需要本地电脑安装Office2007。图纸软件为AutoCAD,PROE,UG,SolidWorks,CATIA等;
4、本站所有图文资料仅供用户学习参考,不作为任何商用或其他用途;
5、本站不保证下载资源的准确性、安全性和完整性, 不包修改,不支持退换,同时也不承担用户因使用这些下载资源对自己和他人造成任何形式的伤害或损失;
6、 下载文件中如有侵权或不适当内容,请与我们联系,我们立即纠正。