

作品包括:
Word版设计说明书1份
CAD版本图纸,共4张
UG三维塑件图1张
摘要
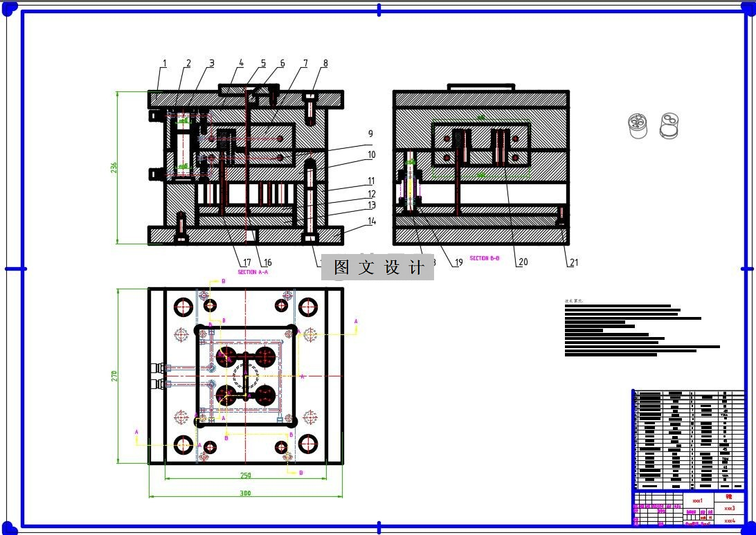
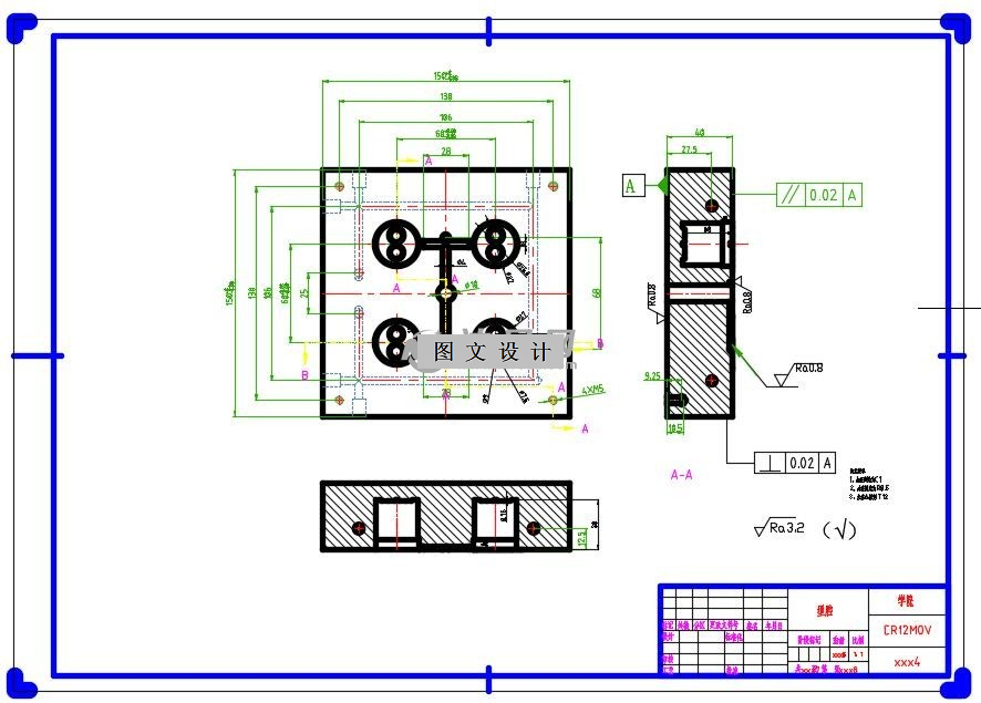
塑料工业是当今世界上增长最快的工业门类之一,而注塑模具是其中发展较快的种类,因此研究注塑模具对了解塑料产品的生产过程和提高产品质量有很大的意义。 本模具设计的课题是插座外壳,针对其进行了相关的工艺设计和模具设计。设计中利用CAD和UG对其进行计算与设计,提高了模具设计合理性。介绍了注塑成型的基本原理,利用双分型面与阶梯分型面组合模具的结构,详细介绍了冷流道注射模具浇注系统和顶出系统的设计过程,并对模具强度做了说明。本模在结构设计,缩短生产周期上,有利于增加模具使用寿命。
温馨提示:
1、题目前面的备注【字母数字编号】为本站整理分类的编号,与课题内容无关,请选题时忽视;
2、若题目上备注三维,则表示文件里包含三维源文件,由于三维组成零件数量较多,为保证预览截图的简洁性,本站将三维文件夹进行了打包。三维及CAD预览截图,均为本站电脑打开软件进行截图的,保证能够打开,下载原件超高清,下载后解压即可;
3、本站所有资源如无特殊说明,都需要本地电脑安装Office2007。图纸软件为AutoCAD,PROE,UG,SolidWorks,CATIA等;
4、本站所有图文资料仅供用户学习参考,不作为任何商用或其他用途;
5、本站不保证下载资源的准确性、安全性和完整性, 不包修改,不支持退换,同时也不承担用户因使用这些下载资源对自己和他人造成任何形式的伤害或损失;
6、 下载文件中如有侵权或不适当内容,请与我们联系,我们立即纠正。