

作品包括:
Word版设计说明书1份
CAD版本图纸,共8张
UG三维图一份
摘要
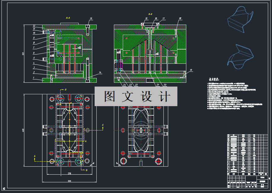
本次设计主要内容为成型肥皂架设计一套塑料模具方案,在开展方案设计之前首先对肥皂架结构做出了分析,然后根据其使用要求为肥皂架选择合适的ABS材质,本次设计型腔数目为一模两腔的结构,本次设计中浇口形式采用了侧浇口进胶的方式,通过三维软件获得了产品体积,并对本次模具选定了型号注塑机及龙记标准CI模架型号。确定了模具最佳分型面位置,然后对主要的模具结构比如浇注系统、脱模机构、模具冷却系统进行详细的设计及计算。在成型零部件设计时,对成型零件的结构形式做出了选择并对成型零件的成型尺寸进行计算。最后对所选注塑机型号进行了校核。
温馨提示:
1、题目前面的备注【字母数字编号】为本站整理分类的编号,与课题内容无关,请选题时忽视;
2、若题目上备注三维,则表示文件里包含三维源文件,由于三维组成零件数量较多,为保证预览截图的简洁性,本站将三维文件夹进行了打包。三维及CAD预览截图,均为本站电脑打开软件进行截图的,保证能够打开,下载原件超高清,下载后解压即可;
3、本站所有资源如无特殊说明,都需要本地电脑安装Office2007。图纸软件为AutoCAD,PROE,UG,SolidWorks,CATIA等;
4、本站所有图文资料仅供用户学习参考,不作为任何商用或其他用途;
5、本站不保证下载资源的准确性、安全性和完整性, 不包修改,不支持退换,同时也不承担用户因使用这些下载资源对自己和他人造成任何形式的伤害或损失;
6、 下载文件中如有侵权或不适当内容,请与我们联系,我们立即纠正。