

作品包括:
Word版设计说明书1份
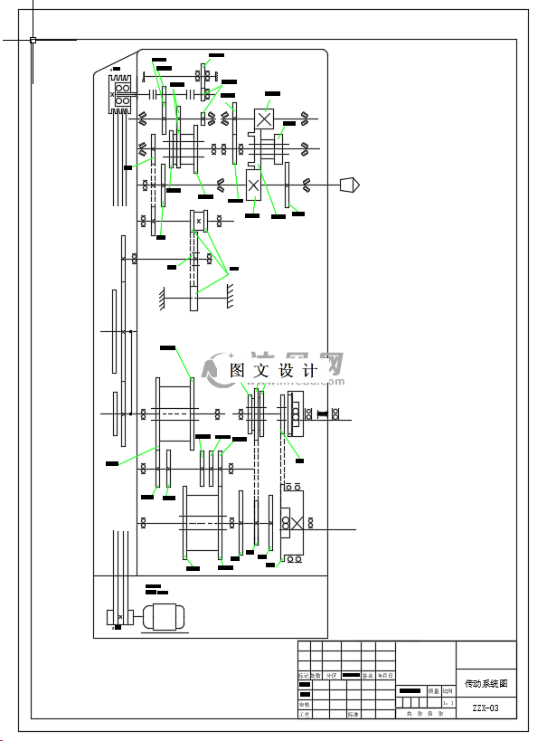
CAD版本图纸,共5张
摘要
本次将对改造方案的具体实施过程进行详细的说明,其中主要包括:主箱体的结构改造、数控系统的编程调试、电控系统的设计和搭建。在设计时,我们从安全、稳定、可靠三个方面综合考虑,保证了数控机床的稳定工作,满足了生产的需要。 经改装后的 CNC机床在使用中得到了检验,结果表明该方法是有效可行的。通过试验,证明了电控系统的应用,使机床操作变得更加简单灵活,同时提高了加工的精度与效率,为实现工业向智能化转变提供了重要的借鉴与参考。
温馨提示:
1、题目前面的备注【字母数字编号】为本站整理分类的编号,与课题内容无关,请选题时忽视;
2、若题目上备注三维,则表示文件里包含三维源文件,由于三维组成零件数量较多,为保证预览截图的简洁性,本站将三维文件夹进行了打包。三维及CAD预览截图,均为本站电脑打开软件进行截图的,保证能够打开,下载原件超高清,下载后解压即可;
3、本站所有资源如无特殊说明,都需要本地电脑安装Office2007。图纸软件为AutoCAD,PROE,UG,SolidWorks,CATIA等;
4、本站所有图文资料仅供用户学习参考,不作为任何商用或其他用途;
5、本站不保证下载资源的准确性、安全性和完整性, 不包修改,不支持退换,同时也不承担用户因使用这些下载资源对自己和他人造成任何形式的伤害或损失;
6、 下载文件中如有侵权或不适当内容,请与我们联系,我们立即纠正。