

作品包括:
Word版设计说明书1份,共19页,约9700字
任务书一份
开题报告一份
PPT答辩一份
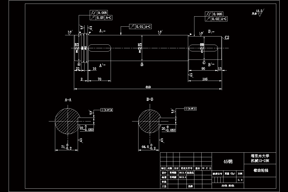
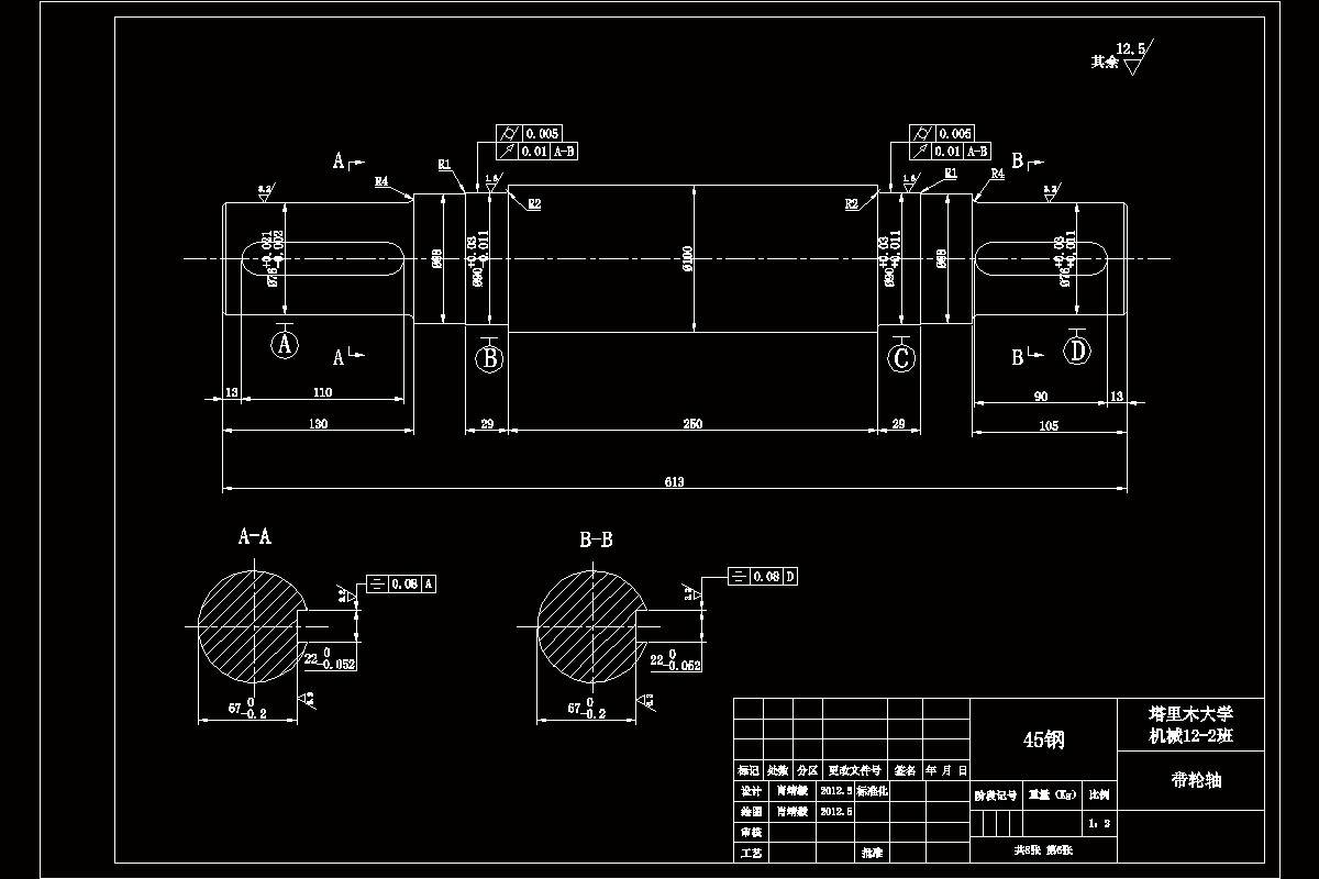
CAD版本图纸,共8张

摘要
随着红枣的种植面积的增加,红枣的机械化作业在红枣栽培中的重要性逐渐凸显。依据最近几年新疆林果业发展的态式分析,新疆果树种植每年以10%的速度递增,由于林果业的快速发展,各地已形成了较大的种植规模,每到收获季节需要投入大量的劳力来完成水果采收。可以预见到,再过3~5年,新种植的果树进入盛果期后,水果采收作业将会出现因劳动力短缺、采收不及时,而直接影响果品质量和造成大量损失的问题。这是因为,水果采摘是一项劳动投入量很大的作业,有些水果因成熟期不一致,需要多次采摘才能完成收获;而有些作为鲜食或作为加工用途的果品,因市场对于果实外观要求较高,不能有碰伤、刮伤、压裂等机械损伤,采收这些水果时必须小心翼翼;另外,水果收获是在离地面有3~5 m高的空中作业,以上原因决定了水果采摘是一项费时、费工、费力的作业。人工采收水果的速度缓慢,大面积发展水果种植时,必须要依靠机械化来提高采摘效率。据有关资料介绍,有些鲜食水果的采收用工量较大,约占水果生产总用工量的50%以上,导致特色果品的生产成本过大,不能满足向果品加工企业提供数量充足、质量优越、价格相对低廉的原料,这样极不利于企业直接参与市场竞争。 果园收获作业是果园生产全过程中最重要的环节,林果采收劳动强度大,用工量多。传统的人工采收方法,每公顷需要几百个工时,占果园生产过程中用工量的50%左右,费时费力且成本高。目前,随着新疆特色林果,尤其是红枣等林果的规模化、产业化发展,依靠人工采收的方式已不能满足红枣等产业化生产的需要。
温馨提示:
1、题目前面的备注【字母数字编号】为本站整理分类的编号,与课题内容无关,请选题时忽视;
2、若题目上备注三维,则表示文件里包含三维源文件,由于三维组成零件数量较多,为保证预览截图的简洁性,本站将三维文件夹进行了打包。三维及CAD预览截图,均为本站电脑打开软件进行截图的,保证能够打开,下载原件超高清,下载后解压即可;
3、本站所有资源如无特殊说明,都需要本地电脑安装Office2007。图纸软件为AutoCAD,PROE,UG,SolidWorks,CATIA等;
4、本站所有图文资料仅供用户学习参考,不作为任何商用或其他用途;
5、本站不保证下载资源的准确性、安全性和完整性, 不包修改,不支持退换,同时也不承担用户因使用这些下载资源对自己和他人造成任何形式的伤害或损失;
6、 下载文件中如有侵权或不适当内容,请与我们联系,我们立即纠正。