

作品包括:
Word设计说明书1份
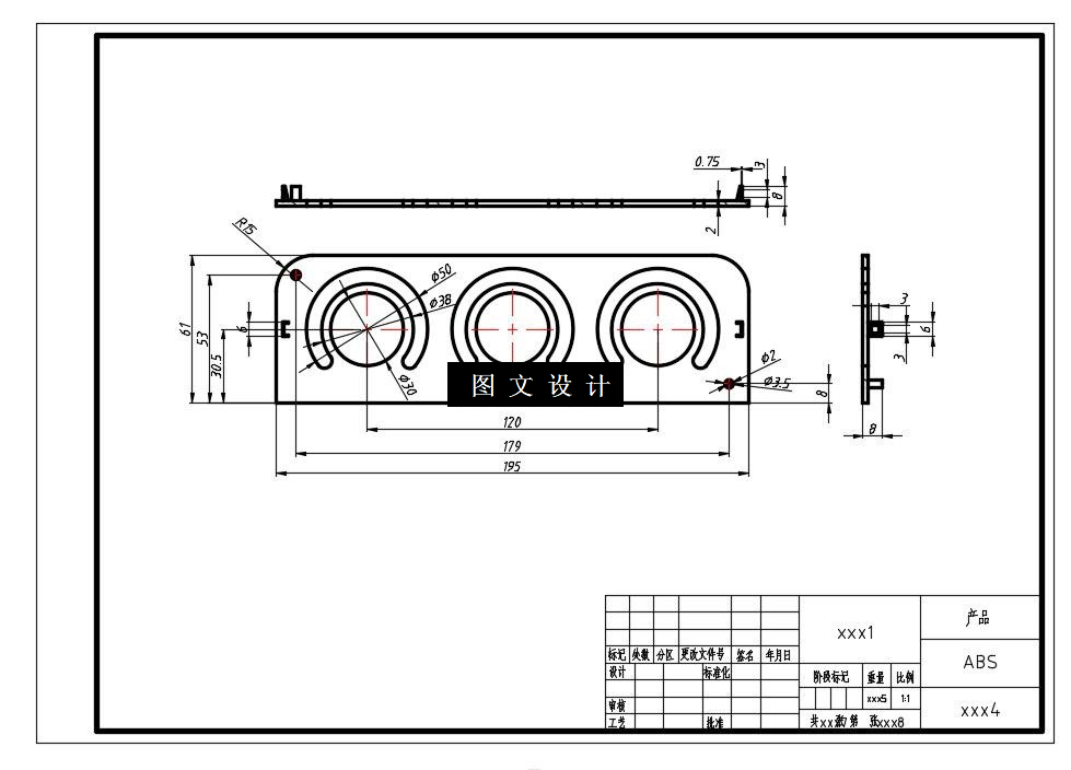
CAD版本图纸,共11张
UG三维图一份
摘要
本次研究的对象是料板模具注射成型过程。通过分析实物塑件,可以精确的绘制出它的二维和三维图。根据材料特性,塑件的几何特征确定了分型面。查阅相关专业书籍,设计出浇注系统,脱模机构和侧抽芯机构,并对成型零件中的定模型腔,动模型芯进行了设计,加热和冷却等进行了计算,最后对注塑机进行校核。
温馨提示:
1、题目前面的备注【字母数字编号】为本站整理分类的编号,与课题内容无关,请选题时忽视;
2、若题目上备注三维,则表示文件里包含三维源文件,由于三维组成零件数量较多,为保证预览截图的简洁性,本站将三维文件夹进行了打包。三维及CAD预览截图,均为本站电脑打开软件进行截图的,保证能够打开,下载原件超高清,下载后解压即可;
3、本站所有资源如无特殊说明,都需要本地电脑安装Office2007。图纸软件为AutoCAD,PROE,UG,SolidWorks,CATIA等;
4、本站所有图文资料仅供用户学习参考,不作为任何商用或其他用途;
5、本站不保证下载资源的准确性、安全性和完整性, 不包修改,不支持退换,同时也不承担用户因使用这些下载资源对自己和他人造成任何形式的伤害或损失;
6、 下载文件中如有侵权或不适当内容,请与我们联系,我们立即纠正。