

作品包括:
Word设计说明书1份
CAD版本图纸,共9张
SW三维图一套
摘要
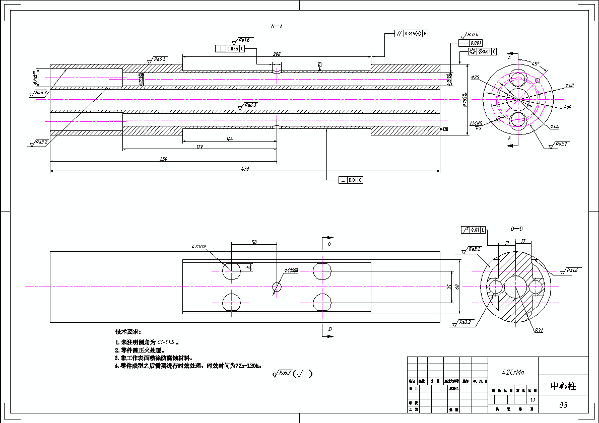
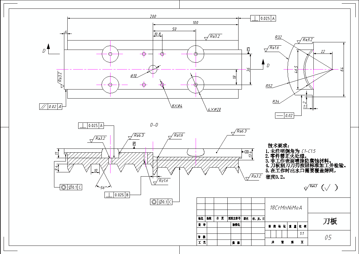
提出一种较为先进、智能的石油修井、完井刮削器械,以提高石油方面修井、完井的效率,降低使用成本,从而提高其生产。智能:即拥有反馈调节机制。可以简单识别刮砂器自身所处位置有无毛刺、积砂等,以待下一步动作。 伸缩:即拥有可变的刮削半径。刮刀可以向外扩张,以适应较为复杂的井况,具有较大的弹性选择空间,适用范围较广。
温馨提示:
1、题目前面的备注【字母数字编号】为本站整理分类的编号,与课题内容无关,请选题时忽视;
2、若题目上备注三维,则表示文件里包含三维源文件,由于三维组成零件数量较多,为保证预览截图的简洁性,本站将三维文件夹进行了打包。三维及CAD预览截图,均为本站电脑打开软件进行截图的,保证能够打开,下载原件超高清,下载后解压即可;
3、本站所有资源如无特殊说明,都需要本地电脑安装Office2007。图纸软件为AutoCAD,PROE,UG,SolidWorks,CATIA等;
4、本站所有图文资料仅供用户学习参考,不作为任何商用或其他用途;
5、本站不保证下载资源的准确性、安全性和完整性, 不包修改,不支持退换,同时也不承担用户因使用这些下载资源对自己和他人造成任何形式的伤害或损失;
6、 下载文件中如有侵权或不适当内容,请与我们联系,我们立即纠正。