Q077-底座的工艺规程及车Φ30孔的工装夹具设计
Q076-惰轮轴工艺设计和工装设计
Q016-TL6弹性套联轴器液压夹具设计
Q001-492发动机曲轴箱铣主轴孔卡瓦槽夹具设计
P174-电机座液压夹紧粗镗夹具设计
P166-水泵叶轮工艺规程及车夹具设计
P162-油缸后座专用回转钻模设计
P151-盘角齿轮加工工艺及钻孔夹具设计
P119-盘类轴向多孔成组钻模设计
P118-增压器回油管座的加工工艺及钻φ22.376夹具设计
P111-弯针连杆加工工艺及夹具设计
P109-壳体的工艺与工装的设计
P075-汽车压缩机前缸盖的加工工艺和夹具设计
P068-4L22柴油机机体顶面精铣床设计
P037机械制造工艺学课程设计-易拉罐机械加工工艺设计
P022-溜板工艺极其挂架式双引导镗床夹具设计
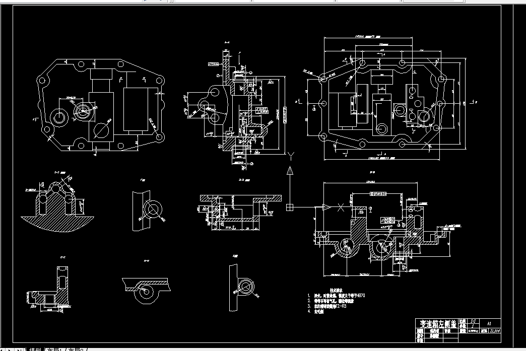
P018-汽车变速器左侧盖加工工艺及结合面铣床夹具设计
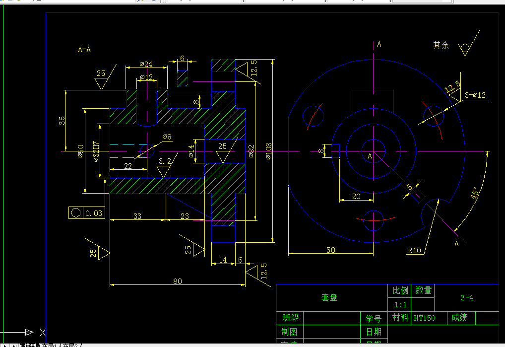
P002-套盘零件的工艺规程及铣宽8槽的工装夹具设计
P001-推板零件的工艺规程及钻3-Φ10孔夹具设计
N203-拨动顶尖座机械加工工艺规程及铣5H9x20键槽的铣床夹具设计