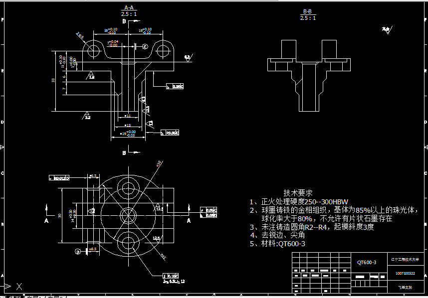
X146B-飞锤支架零件的工艺规程及钻4-Φ6孔的钻床夹具设计
X146A-飞锤支架零件的工艺规程及车工件右端外圆和端面的夹具设计
F161-飞锤支架的夹具设计(钻中心孔φ7孔)
K137-飞锤支架加工工艺及通槽夹具设计
X146-飞锤支架的机械加工工艺规程及钻2-φ6.5孔夹具设计
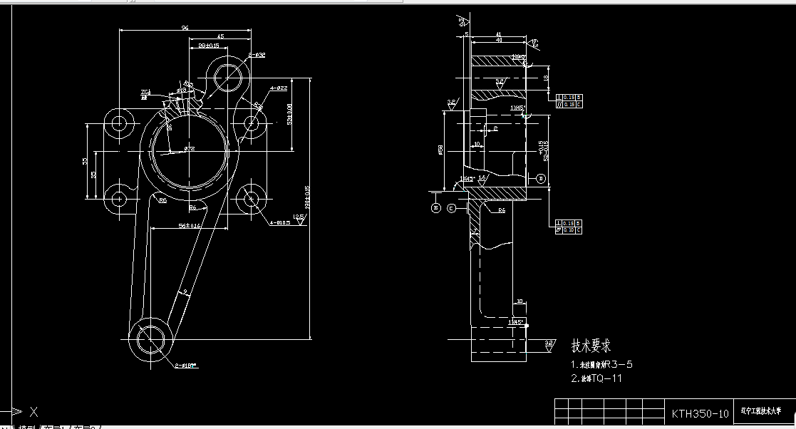
X136D-导向丝杆右支架工艺规程及钻4-10.5孔夹具设计
X136C-导向丝杆右支架工艺规程及粗车ф58㎜外圆面夹具设计
X136B-导向丝杆右支架加工工艺规程及粗铣φ52mm孔下端面夹具设计
X136A-导向丝杆右支架机械加工工艺规程及钻ф18孔夹具设计
X136-导向丝杆右支架的加工工艺及钻Ф10.5孔夹具设计
Y130C-车床支架加工工艺及钻φ18孔夹具设计
Y130B-车床支架钻2-Φ11孔锪2-Φ17孔夹具设计
Y130A-车床支架工艺及钻孔夹具设计
Y130机械毕业设计(论文)-车床支架机械加工工艺及夹具设
V577E-叉形支架机械加工工艺规程及铣上端面夹具设计
V577D-叉形支架机械加工工艺规程及铣前端面夹具设计
V577C-叉形支架机械加工工艺规程及铣后端面夹具设计
V577B-叉形支架机械加工工艺规程及钻10H9孔夹具设计
V577A-叉形支架机械加工工艺规程及钻3-9孔夹具设计
V577-叉形支架的加工工艺及铣叉口的铣床夹具设计