KS673D-Ⅲ-Ⅳ档拨叉的的工艺规程及铣叉口2端面夹具设计
KS673C-Ⅲ-Ⅳ档拨叉的工艺规程及钻Φ5孔夹具设计
KS673B-Ⅲ-Ⅳ档拨叉的工艺规程及钻Φ16孔夹具设计
KS673A-Ⅲ-Ⅳ档拨叉的工艺规程及铣宽12槽夹具设计
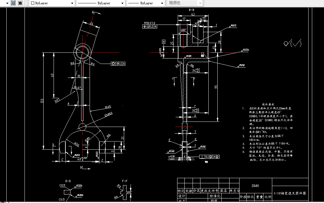
KS672D-一四档变速叉零件的工艺规程及钻Φ22孔夹具设计
KS672C-一四档变速叉零件的工艺规程及铣内侧面夹具设计
KS672B-一四档变速叉零件的工艺规程及钻Φ3孔夹具设计
KS672A-一四档变速叉零件的工艺规程及钻M12螺纹孔夹具设计
KS924G-一四档变速叉加工工艺及铣φ16孔右端面夹具设计
KS924F-一四档变速叉加工工艺及铣15槽夹具设计
KS924E-一四档变速叉加工工艺及钻φ16孔夹具设计
KS924D-一四档变速叉加工工艺及钻Φ16孔夹具设计
KS924C-一四档变速叉加工工艺及钻M10螺纹孔夹具设计
KS924B-一四档变速叉加工工艺及钻M10螺纹孔夹具设计
KS924H-一四档变速叉加工工艺及铣叉口夹具设计[含SW三维图]
KS924A-一四档变速叉加工工艺及铣叉口夹具设计
KS677D-拖拉机变速箱拨叉加工工艺及钻φ8锁销孔夹具设计
KS677C-拖拉机变速箱拨叉的工艺规程及镗R48孔夹具设计
KS677B-拖拉机变速箱拨叉加工工艺及钻φ30孔夹具设计
KS677A-拖拉机变速箱拨叉的工艺规程及铣宽12槽的工装夹具设计