KS662B-前钢板弹簧吊耳加工工艺及钻2-10.5孔夹具设计
KS662A-前钢板弹簧吊耳加工工艺及铣平面夹具设计
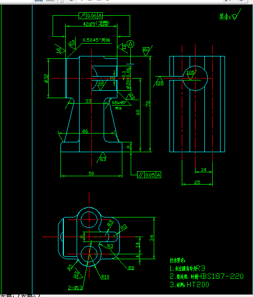
X032-气门摇杆轴支座零件机械加工工艺及其典型夹具设计[三套夹具毕设版]
KS661G-气门摇杆轴支座加工工艺及铣上端面夹具设计
KS661F-气门摇杆轴支座加工工艺及铣轴向槽夹具设计
KS661E-气门摇杆轴支座加工工艺及铣Φ32平面夹具设计
KS661D-气门摇杆轴支座加工工艺及钻20孔夹具设计
KS661C-气门摇杆轴支座零件的工艺规程及铣轴向槽夹具设计
KS661B-气门摇杆轴支座加工工艺及铣3mm槽夹具设计
W138-气门摇杆轴支座零件机械加工工艺及铣50底面的夹具设计
KS661A-气门摇杆轴支座的加工工艺及铣φ32两端面夹具设计
X034B-气门摇杆轴支座加工工艺及车Φ32两端面的夹具设计[含SW三维图]
X034-气门摇杆轴支座加工工艺及车Φ32两端面的夹具设计
X033B-气门摇杆轴支座零件机械加工工艺及铣50底面的夹具设计[含SW三维图]
X033-气门摇杆轴支座零件机械加工工艺及铣50底面的夹具设计
K180-气门摇杆轴支座钻φ13孔专用机床夹具设计
X035A-气门摇杆支座的机械加工工艺规程及钻Φ13孔专用夹具设计
X035B-气门摇杆轴支座加工工艺及钻2×φ13通孔夹具设计[含SW三维图]
X035-气门摇杆轴支座加工工艺及钻2×φ13通孔夹具设计
X023-气门摇杆轴支座加工工艺规程及钻2-φ13mm孔夹具设计