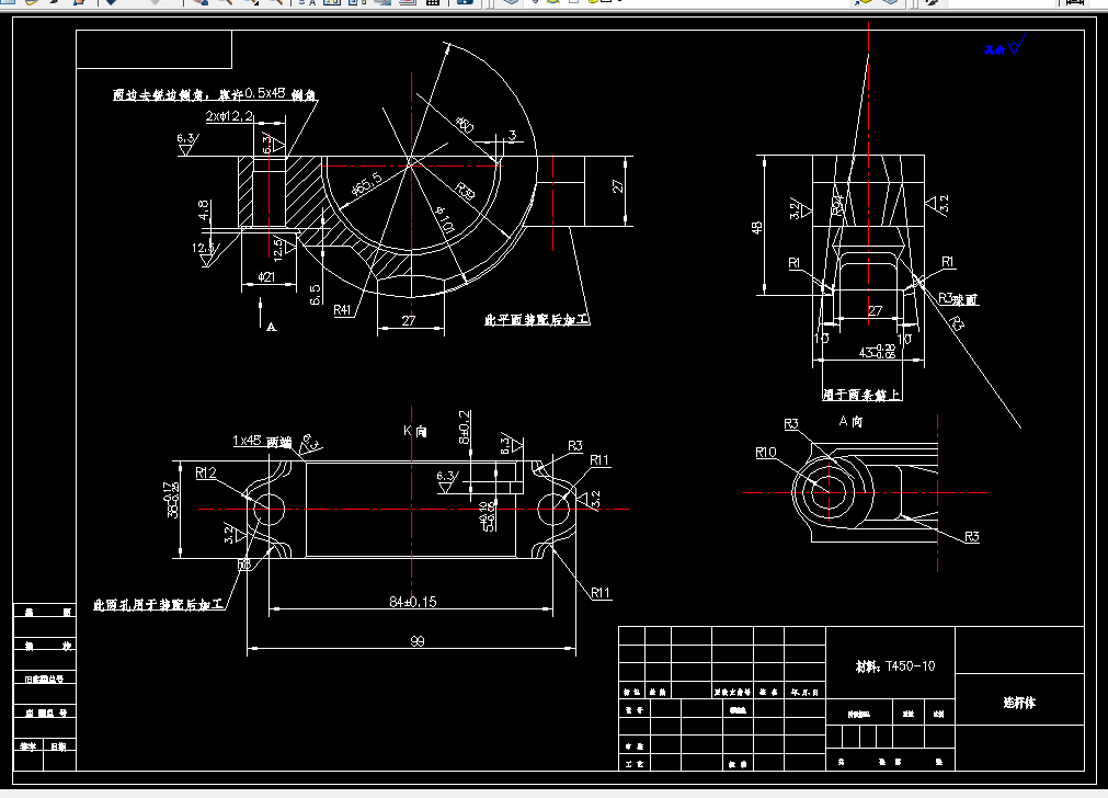
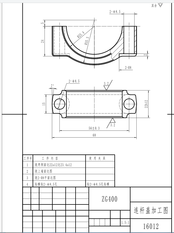
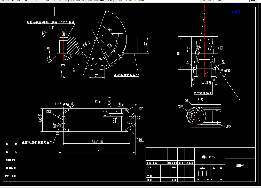
KS652C-16012连杆盖加工工艺及铣2-R8底面夹具设计
KS652A-16012连杆盖加工工艺及铣22两侧面夹具设计
KS651C-连杆盖加工工艺及铣38两侧平面夹具设计
KS651B-连杆盖加工工艺及铣螺栓孔背面夹具设计
KS651A-连杆盖加工工艺及钻2-φ12.2孔夹具设计
KS650D-连杆盖工艺及铣R67沟槽夹具设计
KS650C-连杆盖加工工艺及钻2-M12螺纹孔夹具设计
KS650B-连杆盖加工工艺及铣两直角台阶平面夹具
KS650A-连杆盖零件的加工工艺及钻2-M12螺纹孔夹具设计
W260-连杆盖工艺规程及铣宽15槽的工装夹具设计
K160-连杆盖工艺及铣上端15mm凹槽工序夹具设计
V338-连杆盖零件加工工艺及铣两侧面夹具设计
K161-连杆盖工艺规程及钻φ20的孔夹具设计
K159-连杆盖机械加工工艺及其铣台阶面工序夹具设计
V504B-连杆盖零件加工工艺及铣剖分面夹具设计
V504-连杆合件连杆盖加工工艺及铣剖分面夹具设计
A0096-连杆盖工艺规程及钻2-M12螺纹底孔夹具设计
K162-连杆盖工艺规程及钻2-φ12mm孔夹具设计
K080B-连杆盖工艺规程及钻12孔夹具设计
K080A-连杆盖工艺规程及镗81孔夹具设计