M7029-吊架加工工艺及铣62mm宽两面夹具设计
M7028-端盖加工工艺及钻M10孔夹具设计[气动夹具]
M7027-阀盖加工工艺及钻14孔夹具设计[气动夹具]
M7026-支架加工工艺及铣φ16端面夹具设计
M7025-支架加工工艺及铣φ54圆端面夹具设计
C22495-支架加工工艺和铣φ54端面夹具设计【含SW三维图】
M7023-弹簧夹头加工工艺及车外圆夹具设计
M7022-CA6140车床手柄轴加工工艺及铣键槽夹具设计
M7021-传动轴加工工艺及铣槽夹具设计[含工艺流程图]
M7020-定位螺套加工工艺及钻孔夹具设计[含工艺流程图]
M7019-定位螺套机械加工工艺及车夹具设计[含工艺流程图]
M7017-圆形法兰加工工艺及钻孔夹具设计[含工艺流程图]
Z999-拉杆轴加工工艺及钻孔夹具设计[含工艺流程图]
M7015-传动轴加工工艺及铣槽夹具设计[含工艺流程图]
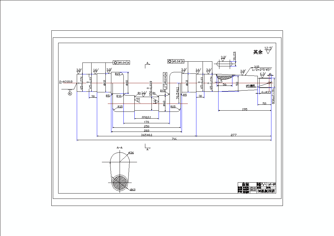
M7000-发动机曲轴加工工艺及铣端面夹具设计-长716
M6996-工作台部分左轴架工艺及镗孔夹具设计
M6995-车床支架机械加工工艺及钻孔夹具设计
M6991-工作台部分右轴架工艺及铣夹具设计
M6976-滑阀踏板加工工艺及铣14两端面夹具设计
M6975-滑阀踏板工艺及铣两侧面夹具设计[含SW三维图]