

作品包括:
说明书一份,共25页,约7000字
CAD版本图纸,共4张

摘 要
本文是对杠杆零件加工应用及加工的工艺性分析,主要包括对零件图的分析、毛坯的选择、零件的装夹、工艺路线的制订、刀具的选择、切削用量的确定、加工工艺文件的填写。选择正确的加工方法,设计合理的加工工艺过程。此外还对填料箱盖零件的两道工序的加工设计了专用夹具.
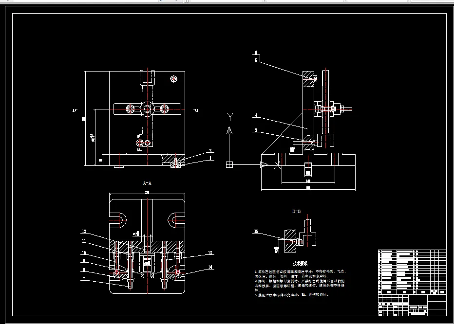
机床夹具的种类很多,其中,使用范围最广的通用夹具,规格尺寸多已标准化,并且有专业的工厂进行生产。而广泛用于批量生产,专为某工件加工工序服务的专用夹具,则需要各制造厂根据工件加工工艺自行设计制造。本论文夹具设计的主要内容是设计螺栓孔手动夹具设计。
关键词:杠杆,加工工艺,加工方法,工艺文件,夹具
目 录
摘 要 I
前 言 3
1.零件的工艺分析及生产类型确定 2
1.1零件的作用 2
1.2零件的工艺分析 2
2.选择毛坯,确定毛坯尺寸和设计毛坯图 2
2.1选择毛坯 3
2.2确定毛坯尺寸和设计毛坯图 3
3.1定位基准的选择 4
3.2零件表面加工方法的选择 4
3.3制定工艺路线 5
4.1选择加工设备和工艺装备 6
4.2确定工序尺寸 7
5确定切削用量及基本时间 8
3、 铣18端面夹具设计 15
3.1问题的提出 15
3.2定位基准的选择 15
3.3 定位误差分析 16
3.4 夹紧力计算 16
3.5 定向键与对刀装置设计 17
3.6 夹具设计及操作的简要说明 19
总结 20
致 谢 21
参考文献 22
温馨提示:
1、题目前面的备注【字母数字编号】为本站整理分类的编号,与课题内容无关,请选题时忽视;
2、若题目上备注三维,则表示文件里包含三维源文件,由于三维组成零件数量较多,为保证预览截图的简洁性,本站将三维文件夹进行了打包。三维及CAD预览截图,均为本站电脑打开软件进行截图的,保证能够打开,下载原件超高清,下载后解压即可;
3、本站所有资源如无特殊说明,都需要本地电脑安装Office2007。图纸软件为AutoCAD,PROE,UG,SolidWorks,CATIA等;
4、本站所有图文资料仅供用户学习参考,不作为任何商用或其他用途;
5、本站不保证下载资源的准确性、安全性和完整性, 不包修改,不支持退换,同时也不承担用户因使用这些下载资源对自己和他人造成任何形式的伤害或损失;
6、 下载文件中如有侵权或不适当内容,请与我们联系,我们立即纠正。