

作品包括:
说明书1份,共28页,约8000字左右
工序卡一张
过程卡一张
CAD版本本图纸,共4张

摘 要
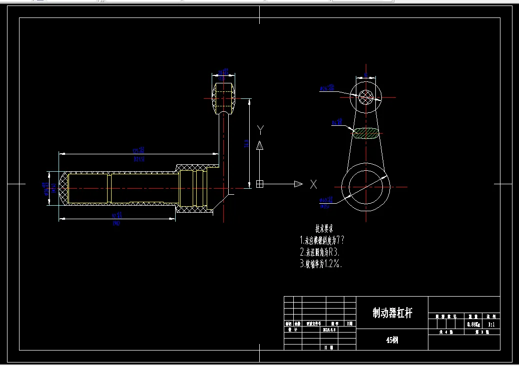
本次设计是对制动器杠杆零件的加工工艺规程及一些工序的专用夹具设计。制动器杠杆零件的主要加工表面是铣键槽、车轴部分外圆面及退刀槽、铣杠杆头左右两端面及钻孔,本套夹具针对于车退刀槽设计。由加工工艺原则可知,保证平面的加工精度要比保证孔的加工精度容易,所以本设计遵循先面后孔的原则,并将孔与平面的加工明确分为粗加工和半精加工阶段以保证加工精度。基准选择以制动器杠杆大外圆端面和杠杆头右端面作为粗基准,以杠杆大外圆端面互为基准加工出端面,再以端面定位加工出工艺孔。在后续工序中除个别工序外均用端面和工艺孔定位加工其他孔与端面。本套专用夹具是从零件的具体工序出发,以相关标准为参考设计的,因此能满足整个工序过程的加工要求和技术要求。
目录
摘要…………………………………………………………1
Abstract………………………………………………………2
1.零件的工艺分析及生产类型的确定…………………6
1.1零件的用途………………………………………………6
1.2零件的工艺分析…………………………………………6
2.确定毛坯、绘制毛坯件图………………………………8
2.1确定毛坯的制造形式及画毛坯图………………………8
3.拟定制动器杠杆工艺路线………………………………9
3.1 定位基准的选择…………………………………………9
3.2 表面加工方法的确定………………………………10
3.3 加工阶段的划分……………………………………11
3.4 工序的集中与分散………………………………11
3.5 工序顺序的安排………………………………………11
3.6 确定工艺路线………………………………………12
4.机床设备及工艺装备的选用…………………………14
4.1 机床设备的选用………………………………………14
4.2 工艺装备的选用………………………………………14
5.加工余量、工序尺寸和公差的确定…………………14
5.1 加工余量的确定………………………………………14
5.2 工序尺寸的确定………………………………………15
5.3 公差的确定……………………………………………16
6.切削用量、时间定额的计算……………………………17
6.1 切削用量的计算………………………………………17
6.2 时间定额的计算……………………………………17
7.车退刀槽φ28 mm专用夹具的设计………………19
7.1 问题的提出……………………………………………19
7.2确定夹具的结构方案…………………………………19
7.3 夹紧机构设计…………………………………………21
7.4 切削力的计算…………………………………………22
7.5 绘制夹具装配图和拆画夹具体零件图……………23
体会与展望…………………………………………………24
参考文献……………………………………………………25
温馨提示:
1、题目前面的备注【字母数字编号】为本站整理分类的编号,与课题内容无关,请选题时忽视;
2、若题目上备注三维,则表示文件里包含三维源文件,由于三维组成零件数量较多,为保证预览截图的简洁性,本站将三维文件夹进行了打包。三维及CAD预览截图,均为本站电脑打开软件进行截图的,保证能够打开,下载原件超高清,下载后解压即可;
3、本站所有资源如无特殊说明,都需要本地电脑安装Office2007。图纸软件为AutoCAD,PROE,UG,SolidWorks,CATIA等;
4、本站所有图文资料仅供用户学习参考,不作为任何商用或其他用途;
5、本站不保证下载资源的准确性、安全性和完整性, 不包修改,不支持退换,同时也不承担用户因使用这些下载资源对自己和他人造成任何形式的伤害或损失;
6、 下载文件中如有侵权或不适当内容,请与我们联系,我们立即纠正。