

作品包括:
说明书1份,共27页,约7500字左右
CAD版本本图纸,共3张
目 录
第1章 前言 1
第2章 零件工艺的分析 2
2.1零件的工艺分析 2
2.2 确定毛坯的制造形式 3
第3章 拟定导轨滑座加工的工艺路线 4
3.1 定位基准的选择 4
3.1.1 粗基准的选择 4
3.1.2精基准的选择 4
3.2 加工路线的拟定 4
第4章 机械加工余量,工序尺寸及毛坯尺寸的确定 6
第5章 确定切削用量及基本工时 8
5.1 工序03 铣底面 8
5.2 工序04 铣基准面A 8
5.3 工序05钻、扩、铰2-Φ12H7孔 9
5.4 工序06 铣工件四周面 11
5.5 工序07粗铣、半精铣、精铣40 16端面 12
5.6 工序08铣10 10倒角 13
5.7 工序09钻、扩、铰2-Φ20H7孔 13
5.8 工序10铣120 80面 15
5.9 工序11钻、攻2-M6螺纹 16
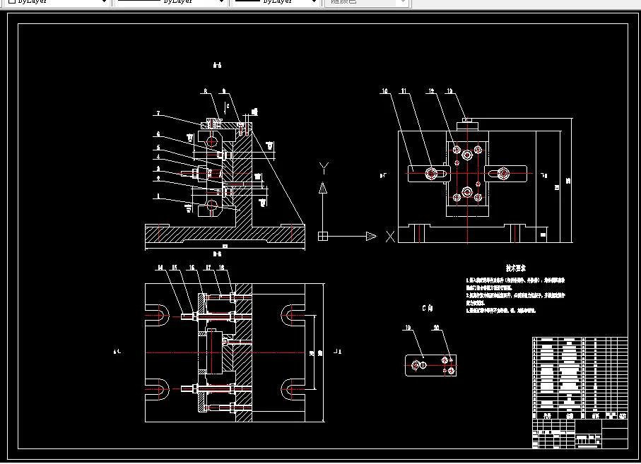
第6章 钻孔夹具设计 18
6.1问题的提出 18
6.2 定位基准的选择 18
6.3定位元件的设计 18
6.4 切削力及夹紧力计算 18
6.5 定位误差分析 19
6.6 夹具设计及操作简要说明 20
结论 21
致谢 22
参考文献 23
温馨提示:
1、题目前面的备注【字母数字编号】为本站整理分类的编号,与课题内容无关,请选题时忽视;
2、若题目上备注三维,则表示文件里包含三维源文件,由于三维组成零件数量较多,为保证预览截图的简洁性,本站将三维文件夹进行了打包。三维及CAD预览截图,均为本站电脑打开软件进行截图的,保证能够打开,下载原件超高清,下载后解压即可;
3、本站所有资源如无特殊说明,都需要本地电脑安装Office2007。图纸软件为AutoCAD,PROE,UG,SolidWorks,CATIA等;
4、本站所有图文资料仅供用户学习参考,不作为任何商用或其他用途;
5、本站不保证下载资源的准确性、安全性和完整性, 不包修改,不支持退换,同时也不承担用户因使用这些下载资源对自己和他人造成任何形式的伤害或损失;
6、 下载文件中如有侵权或不适当内容,请与我们联系,我们立即纠正。