

作品包括:
WORD版本设计说明书一份,共41页,约17000字
任务书一份.
开题报告一份.
外文翻译一份
CAD版本图纸,共7张
工艺卡一套

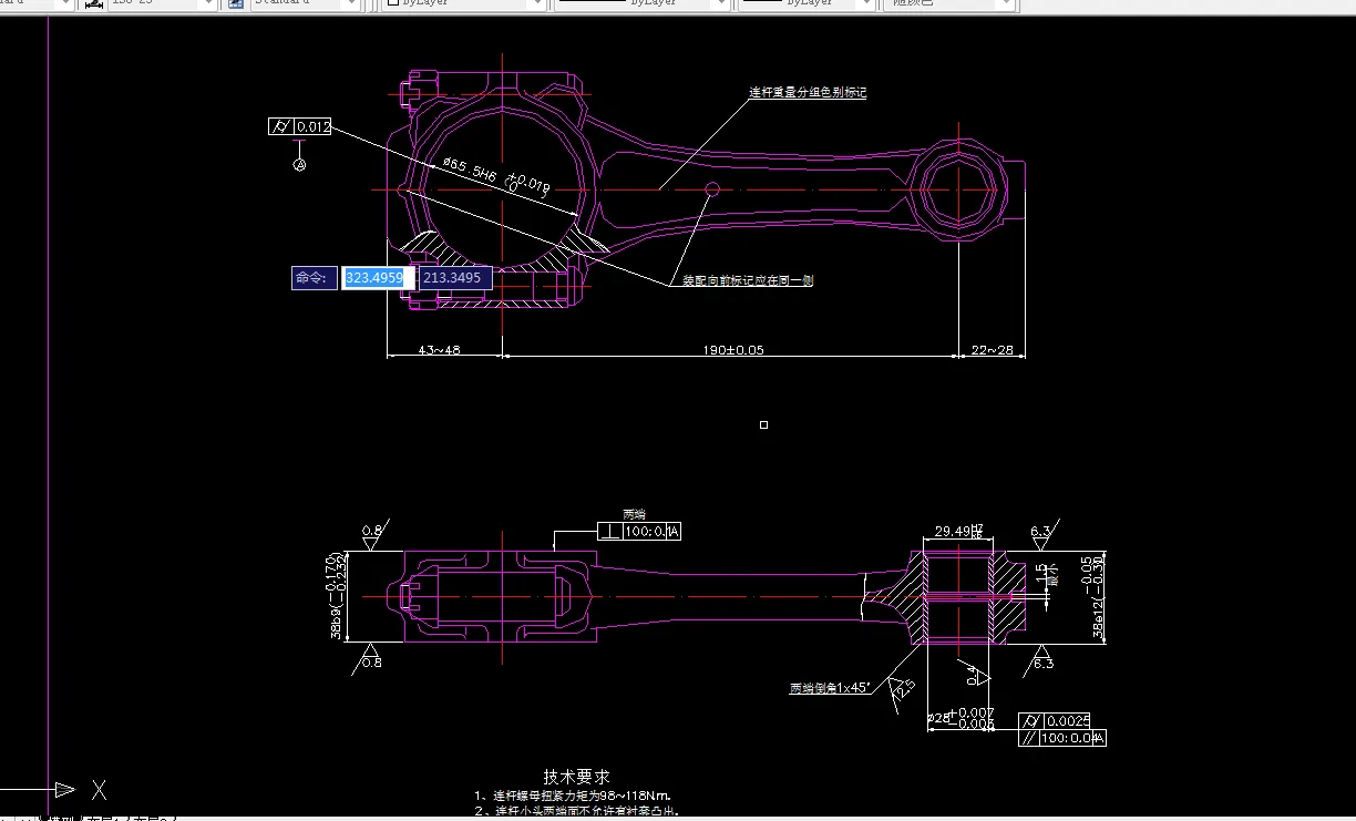
摘 要:连杆是柴油机的主要传动件之一,本文主要论述了连杆的加工工艺及其夹具设计。连杆的尺寸精度、形状精度以
及位置精度的要求都很高,而连杆的刚性比较差,容易产生变形,因此在安排工艺过程时,就需要把各主要表面的粗精
加工工序分开。逐步减少加工余量、切削力及内应力的作用,并修正加工后的变形,就能最后达到零件的技术要求。
关键词: 连杆 变形 加工工艺 夹具设计
目录
1 汽车连杆加工工艺
1.1 连杆的结构特点 1
1.2 连杆的主要技术要求 2
1.2.1 大、小头孔的尺寸精度、形状精度 2
1.2.2 大、小头孔轴心线在两个互相垂直方向的平行度 2
1.2.3 大、小头孔中心距 3
1.2.4 连杆大头孔两端面对大头孔中心线的垂直度 3
1.2.5 大、小头孔两端面的技术要求 3
1.2.6 螺栓孔的技术要求 3
1.2.7 有关结合面的技术要求 3
1.3 连杆的材料和毛坯 4
1.4 连杆的机械加工工艺过程 5
1.5 连杆的机械加工工艺过程分析 8
1.5.1 工艺过程的安排 8
1.5.2 定位基准的选择 9
1.5.3 确定合理的夹紧方法 10
1.5.5 连杆大、小头孔的加工 11
1.5.6 连杆螺栓孔的加工 11
1.5.7 连杆体与连杆盖的铣开工序 12
1.5.8 大头侧面的加工 12
1.6 连杆加工工艺设计应考虑的问题 12
1.6.1 工序安排 12
1.6.2 定位基准 12
1.6.3 夹具使用 13
1.7 切削用量的选择原则 13
1.7.1 粗加工时切削用量的选择原则 13
1.7.2 精加工时切削用量的选择原则 14
1.8 确定各工序的加工余量、计算工序尺寸及公差 15
1.8.1 确定加工余量 15
1.8.2 确定工序尺寸及其公差 16
1.9 计算工艺尺寸链 17
1.9.1 连杆盖的卡瓦槽的计算 17
1.9.2 连杆体的卡瓦槽的计算 18
1.10 工时定额的计算 19
1.10.1 铣连杆大小头平面 19
1.10.2 粗磨大小头平面 20
1.10.3 加工小头孔 20
1.10.4 铣大头两侧面 21
1.10.5、扩大头孔 22
1.10.6 铣开连杆体和盖 22
1.10.7 加工连杆体 23
1.10.8 铣、磨连杆盖结合面 25
1.10.9 铣、钻、镗(连杆总成体) 27
1.10.10 粗镗大头孔 29
1.10.11 大头孔两端倒角 30
1.10.12精磨大小头两平面(先标记朝上) 30
1.10.13 半精镗大头孔及精镗小头孔 30
1.10.14精镗大头孔 31
1.10.15 钻小头油孔 31
1.10.16 小头孔两端倒角 32
1.10.17 镗小头孔衬套 32
1.10.18 珩磨大头孔 32
1.11 连杆的检验 33
1.11.1 观察外表缺陷及目测表面粗糙度 33
1.11.2 连杆大头孔圆柱度的检验 33
1.11.3 连杆螺钉孔与结合面垂直度的检验 33
2 夹具设计
2.1 铣剖分面夹具设计 33
2.1.1问题的指出 33
2.1.2 夹具设计 34
2.2 扩大头孔夹具 35
2.2.1 问题的指出 36
2.2.2 夹具设计 36
参考文献 39
温馨提示:
1、题目前面的备注【字母数字编号】为本站整理分类的编号,与课题内容无关,请选题时忽视;
2、若题目上备注三维,则表示文件里包含三维源文件,由于三维组成零件数量较多,为保证预览截图的简洁性,本站将三维文件夹进行了打包。三维及CAD预览截图,均为本站电脑打开软件进行截图的,保证能够打开,下载原件超高清,下载后解压即可;
3、本站所有资源如无特殊说明,都需要本地电脑安装Office2007。图纸软件为AutoCAD,PROE,UG,SolidWorks,CATIA等;
4、本站所有图文资料仅供用户学习参考,不作为任何商用或其他用途;
5、本站不保证下载资源的准确性、安全性和完整性, 不包修改,不支持退换,同时也不承担用户因使用这些下载资源对自己和他人造成任何形式的伤害或损失;
6、 下载文件中如有侵权或不适当内容,请与我们联系,我们立即纠正。