

作品包括:
说明书1份,共47页,约11000字左右
CAD版本图纸,共4张
工序卡一张
过程卡一张
目 录
第一章 绪论 2
1.1 引言 2
1.2 机械加工工艺规程的作用 3
1.3 研究方法及技术路线 3
第二章 工艺设计 5
2.1 确定生产类型 5
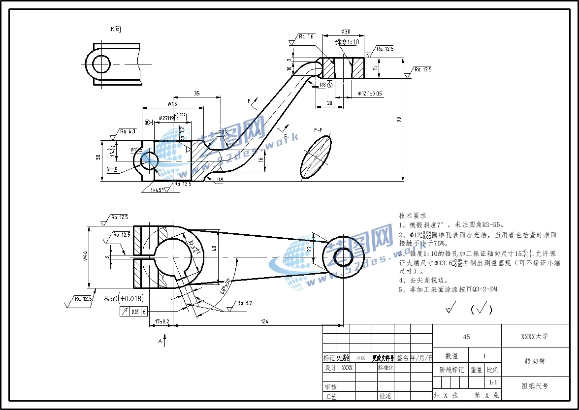
2.2 零件的工艺分析 6
2.2.1 了解零件的用途和工作条件 6
2.2.2 分析零件的技术要求 6
2.2.3 分析零件的结构工艺性 7
2.2.4 绘制零件图 7
2.3 零件的毛坯设计 8
2.3.1 选材 8
2.3.2 确定毛坯直径 8
2.2.3 绘制毛坯图 8
2.4 拟定工艺路线 9
2.4.1 确定各个表面的加工方法 9
2.4.2 工件的定位夹紧和定位基准的选择 10
2.4.3 加工阶段的划分 12
2.4.4 制订工艺路线 12
2.5 确定各工序的切削用量及时间定额 14
第三章 专业夹具设计 40
3.1 问题的提出 40
3.2 定位基准的选择 40
3.3 切削力夹紧力计算 40
3.4 定位误差分析 42
3.5 定向键与对刀装置设计 43
总结 46
参 考 文 献 47
温馨提示:
1、题目前面的备注【字母数字编号】为本站整理分类的编号,与课题内容无关,请选题时忽视;
2、若题目上备注三维,则表示文件里包含三维源文件,由于三维组成零件数量较多,为保证预览截图的简洁性,本站将三维文件夹进行了打包。三维及CAD预览截图,均为本站电脑打开软件进行截图的,保证能够打开,下载原件超高清,下载后解压即可;
3、本站所有资源如无特殊说明,都需要本地电脑安装Office2007。图纸软件为AutoCAD,PROE,UG,SolidWorks,CATIA等;
4、本站所有图文资料仅供用户学习参考,不作为任何商用或其他用途;
5、本站不保证下载资源的准确性、安全性和完整性, 不包修改,不支持退换,同时也不承担用户因使用这些下载资源对自己和他人造成任何形式的伤害或损失;
6、 下载文件中如有侵权或不适当内容,请与我们联系,我们立即纠正。