

作品包括:
说明书1份,共26页,约9100字左右
工序卡一份
过程卡一份
CAD版本本图纸,共6张

中文摘要
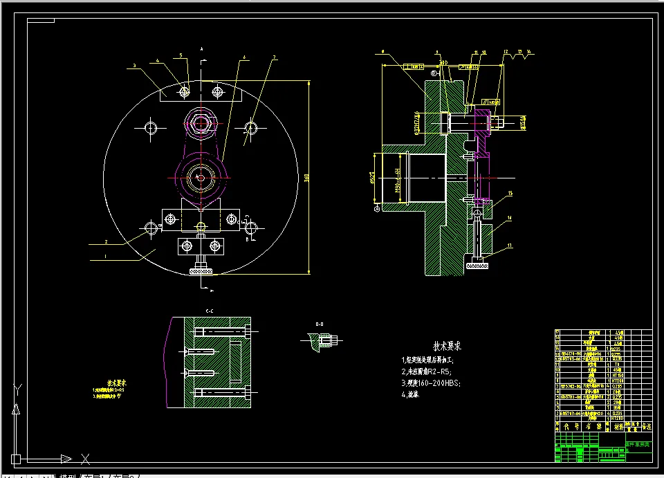
本设计是基于连杆零件的加工工艺规程及一些工序的专用夹具设计。零件的主要加工表面是平面和孔系。一般来说,保证平面的加工精度要比保证加工精度容易。因此,本设计遵循先面后孔的原则。并将孔与平面的加工明确划分成粗加工和精加工阶段,以保证加工精度。主要加工工序是第一个支持孔定位加工出顶平面,然后顶平面和孔的位置的孔加工工艺配套系列。在后续工序中除与顶平面定位技术和加工其他孔与平面的个体的过程。利用坐标镗削加工孔。一般整个工艺的选择。专用夹具的夹具,夹紧方式多选用气动夹紧,夹紧可靠,机构不能自锁,因此生产效率高,适合于大批量、流水线上加工,能够满足设计要求。
关键词 连杆类零件;工艺;夹具;
毕业设计(论文)外文摘要
目 录
1 前言 1
1.1简介 1
1.2设计目的 1
2 零件的分析 1
2.1零件的作用 1
2.2零件的工艺分析 2
2.2.1孔的加工 2
2.2.2面的加工 2
3 工艺规划设计 2
3.1毛坯的制造形式 2
3.2基面的选择 3
3.2.1粗基准的选择 3
3.2.2精基准的选择 3
3.3工艺路线的拟定 3
3.3.1工艺路线方案 3
3.3.2工艺方案的确定 4
3.4毛坯尺寸及其加工余量的确定 4
3.4.1两侧面毛坯尺寸及加工余量计算 4
3.4.2小头孔毛坯尺寸及加工余量计算 4
3.5确定各工序切削用量及基本工时 5
4 连杆车床夹具 13
4.1 车床夹具设计要求说明 13
4.2车床夹具的设计要点 13
4.3 定位机构 15
4.4夹紧机构 15
4.5零件的车床夹具的加工误差分析 15
4.6 确定夹具体结构尺寸和总体结构 16
4.7 零件的车床专用夹具简单使用说明 17
5 本章小结 18
总 结 19
参考文献 20
致 谢 21
温馨提示:
1、题目前面的备注【字母数字编号】为本站整理分类的编号,与课题内容无关,请选题时忽视;
2、若题目上备注三维,则表示文件里包含三维源文件,由于三维组成零件数量较多,为保证预览截图的简洁性,本站将三维文件夹进行了打包。三维及CAD预览截图,均为本站电脑打开软件进行截图的,保证能够打开,下载原件超高清,下载后解压即可;
3、本站所有资源如无特殊说明,都需要本地电脑安装Office2007。图纸软件为AutoCAD,PROE,UG,SolidWorks,CATIA等;
4、本站所有图文资料仅供用户学习参考,不作为任何商用或其他用途;
5、本站不保证下载资源的准确性、安全性和完整性, 不包修改,不支持退换,同时也不承担用户因使用这些下载资源对自己和他人造成任何形式的伤害或损失;
6、 下载文件中如有侵权或不适当内容,请与我们联系,我们立即纠正。