

作品包括:
说明书一份,共28页,约8000字
CAD版本图纸,共4张

摘要
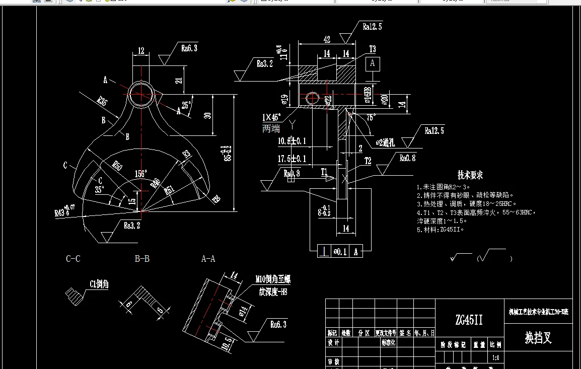
题目是基于斜连杆零件的加工工艺规程及钻孔工序的专用夹具设计。斜连杆零件的主要加工表面是端面及孔系。往往,表面精密加工精度优于确保简单孔的寿命。孔后的设计遵循所述第一表面的原理。一般来说,表面精密加工精度优于确保简单孔的寿命。孔后的设计遵循所述第一表面的原理。与孔加工平面,在粗加工明确的划分和整理阶段,以确保精确孔。与孔加工平面,在下一步骤中,除了在单个进程的顶面和定位孔技术和在平面其他孔的外面。支持孔加工系统采用坐标镗床。整个过程通常由。使用专用夹具夹具,夹多用气动夹紧,夹持,需要可靠的,自锁不了,大批量,因此更高的生产率,在加工生产线,以满足设计。
关键词:斜连杆;加工工艺;工序;专用夹具
目录
摘要 II
Abstract III
第1章 绪论 1
1.1 斜连杆机械加工工艺简述 1
1.2斜连杆机械加工工艺流程 1
1.3斜连杆夹具简述 1
第2章 加工工艺规程设计 2
2.1 零件的分析 2
2.1.1 零件的作用 2
2.1.2 零件的工艺分析 2
2.2 斜连杆零件加工的主要问题和工艺过程设计所应采取的相应措施 3
2.3 斜连杆零件加工定位基准的选择 3
2.3.1 粗基准的选择 3
2.3.2 精基准的选择 3
2.4 斜连杆零件加工主要工序安排 3
2.5 机械加工预留、工序尺寸及毛坯尺寸的确定 5
2.6确定切削用量及基本工时(机动时间) 5
第3章 钻Φ8mm孔专用夹具设计 13
3.1设计要求 13
3.2夹具设计 13
3.2.1 定位基准的选择 13
3.2.2 切削力及夹紧力的计算 13
3.3定位误差分析 15
3.4零、部件的设计与选用 15
第4章 数控加工程序的编制 18
4.1 CAM编程的一般步骤 18
4.2 编程坐标系的确定 19
总 结 22
参考文献 23
致谢 24
温馨提示:
1、题目前面的备注【字母数字编号】为本站整理分类的编号,与课题内容无关,请选题时忽视;
2、若题目上备注三维,则表示文件里包含三维源文件,由于三维组成零件数量较多,为保证预览截图的简洁性,本站将三维文件夹进行了打包。三维及CAD预览截图,均为本站电脑打开软件进行截图的,保证能够打开,下载原件超高清,下载后解压即可;
3、本站所有资源如无特殊说明,都需要本地电脑安装Office2007。图纸软件为AutoCAD,PROE,UG,SolidWorks,CATIA等;
4、本站所有图文资料仅供用户学习参考,不作为任何商用或其他用途;
5、本站不保证下载资源的准确性、安全性和完整性, 不包修改,不支持退换,同时也不承担用户因使用这些下载资源对自己和他人造成任何形式的伤害或损失;
6、 下载文件中如有侵权或不适当内容,请与我们联系,我们立即纠正。