

作品包括:
说明书一份,共24页,约5600字
CAD版本图纸,共5张
工序卡一套
过程卡一套

摘 要
连杆是柴油机的主要传动件之一,本文主要论述了连杆的加工工艺及其夹具设计。连杆的尺寸精度、形状精度以及位置精度的要求都很高,而连杆的刚性比较差,容易产生变形,因此在安排工艺过程时,就需要把各主要表面的粗精加工工序分开。逐步减少加工余量、切削力及内应力的作用,并修正加工后的变形,就能最后达到零件的技术要求。
机械加工工艺是企业上品种、上质量、上水平,加速产品更新,提高经济效益的技术保障。然而夹具又是制造系统的重要部分,工艺对夹具的要求也会提高,专用夹具、成组夹具、组合夹具和随行夹具都朝着柔性化、自动化、标准化、通用化和高效化方向发展以满足加工要求。所以对机械的加工工艺及夹具设计具有十分重要的意义。
关键字:连杆,加工工艺,夹具设计
目 录
摘要 I
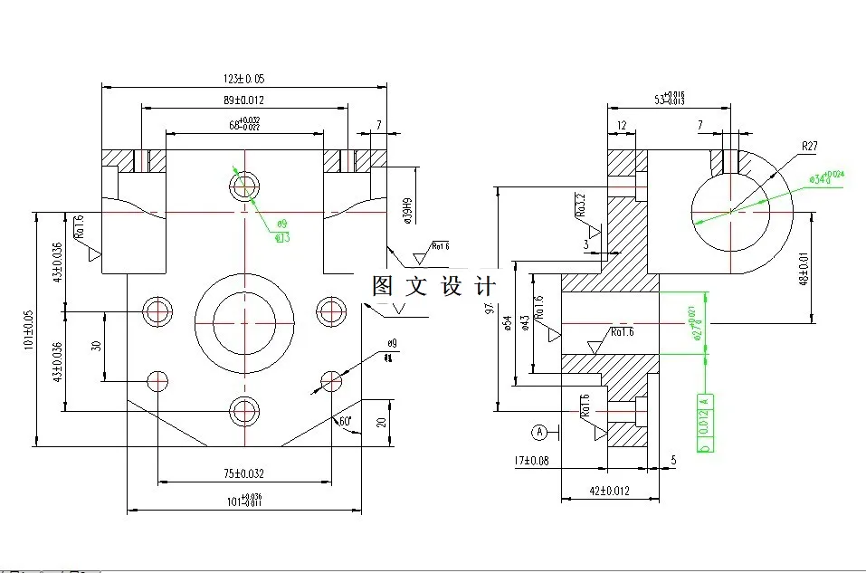
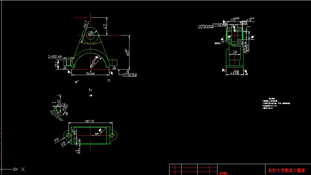
第1章 零件的工艺分析 1
1.1零件的功用、结构及特点 1
1.2 零件的工艺分析 2
第2章 毛坯的选择 3
2.1 确定毛坯的类型、制造方法和尺寸及其公差 3
2.2 定毛坯的技术要求 3
2.3 绘制毛坯图 3
2.4 确定机械加工余量、工序尺寸及公差 4
第3章 基准的选择 5
第4章 拟订机械加工工艺路线 6
4.1 确定各表面的加工方法 6
4.2 拟订加工工艺路线 6
4.2.1工艺路线方案1 6
4.2.1工艺路线方案2 7
4.3工艺方案的比较与分析 7
第5章 确立切削用量及基本工时 8
5.1工序2切削用量及其基本时间的确定 8
5.1.1 确定每齿进给量fz 8
5.1.2 选择铣刀磨钝标准和耐用度 8
5.1.3确定切削速度和工作台每分钟进给量 8
5.1.4基本时间 9
5.2工序4切削用量及其基本时间的确定 9
5.2.1 确定进给量f 9
5.2.2 确定切削速度V 9
5.2.3 确定切削速度V 10
5.2.4 基本时间的确定 10
5.3工序9切削用量及其基本时间的确定 10
5.3.1 确定每齿进给量fz 10
5.3.2 选择铣刀磨钝标准和耐用度 10
5.3.3 确定切削速度和工作台每分钟进给量 10
5.3.4 基本时间 11
5.4工序10切削用量及其基本时间的确定 11
5.4.1 确定每齿进给量fz 12
5.4.2 选择铣刀磨钝标准和耐用度 12
5.4.3 确定切削速度和工作台每分钟进给量 12
5.4.4 基本时间 13
第6章 夹具体的总体设计 14
1、设计任务 14
2、夹具方案分析 14
2.1工件的定位方案分析 14
2.2夹紧方案分析 15
2.3夹具体设计 16
设计心得 19
参考文献 20
附 录 21
温馨提示:
1、题目前面的备注【字母数字编号】为本站整理分类的编号,与课题内容无关,请选题时忽视;
2、若题目上备注三维,则表示文件里包含三维源文件,由于三维组成零件数量较多,为保证预览截图的简洁性,本站将三维文件夹进行了打包。三维及CAD预览截图,均为本站电脑打开软件进行截图的,保证能够打开,下载原件超高清,下载后解压即可;
3、本站所有资源如无特殊说明,都需要本地电脑安装Office2007。图纸软件为AutoCAD,PROE,UG,SolidWorks,CATIA等;
4、本站所有图文资料仅供用户学习参考,不作为任何商用或其他用途;
5、本站不保证下载资源的准确性、安全性和完整性, 不包修改,不支持退换,同时也不承担用户因使用这些下载资源对自己和他人造成任何形式的伤害或损失;
6、 下载文件中如有侵权或不适当内容,请与我们联系,我们立即纠正。