

作品包括:
Word版说明书1份,共22页,约6300字
CAD版本图纸,共4张
工序卡一份
工艺过程卡一张

目录
1 绪论 1
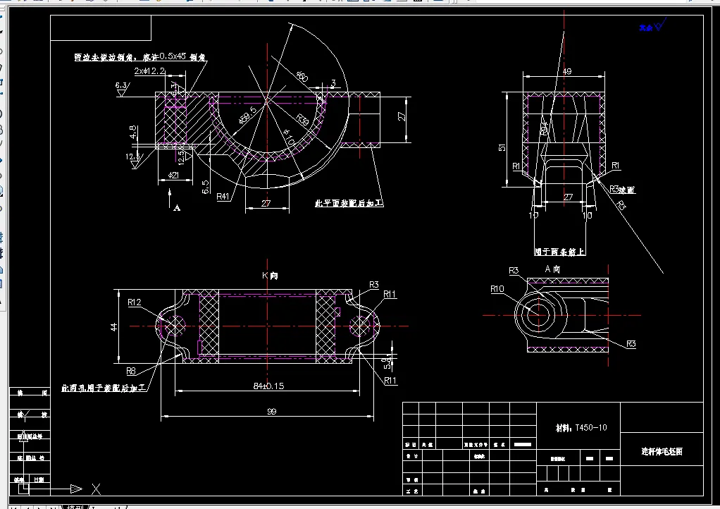
2 连杆盖加工工艺规程设计 2
2.1分析连杆盖 2
2.1.1连杆盖的作用 2
2.1.2连杆盖的工艺研究 2
2.2铸件毛坯制造形式的确定 3
2.2.1选择基面 3
2.2.2工艺路线方案的确定 3
2.2.4切削用量的计算 5
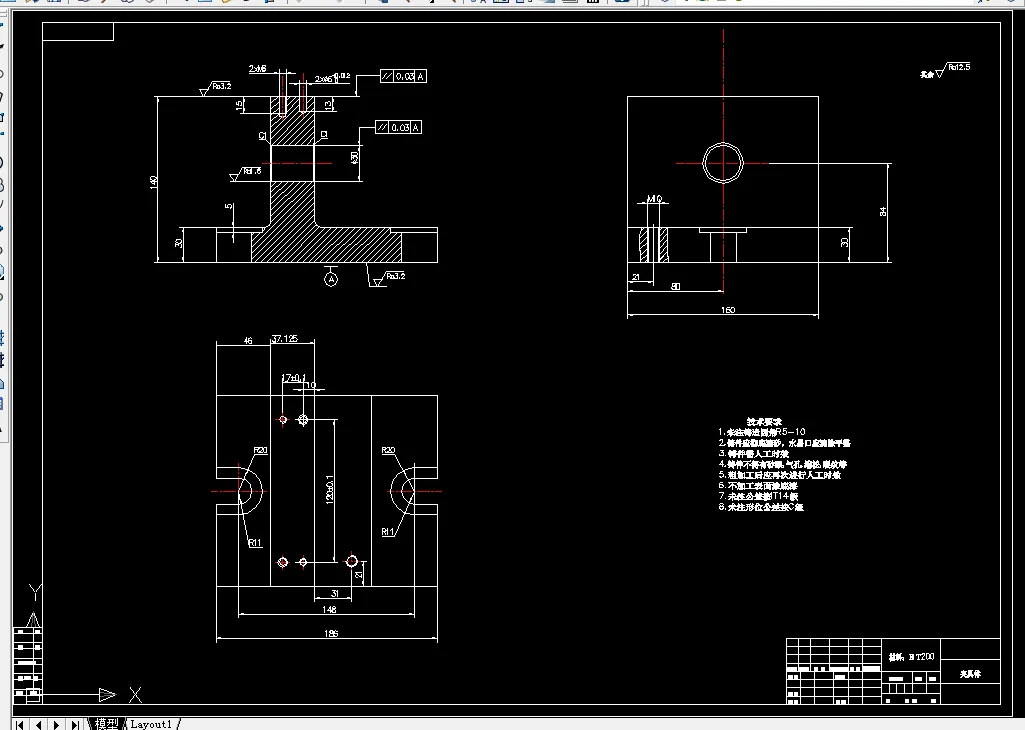
3专用工装设计 16
3.1引出问题 16
3.2钻2-φ12.2 16
3.2.1原始质料的研究 16
3.2.2选择使用定位的基准 16
3.2.3研究计算切削力与夹紧力 16
3.2.4 研究误差和计算 18
3.2.6 夹具设计及操作的使用要说明 19
3.3小结 20
参考文献 21
温馨提示:
1、题目前面的备注【字母数字编号】为本站整理分类的编号,与课题内容无关,请选题时忽视;
2、若题目上备注三维,则表示文件里包含三维源文件,由于三维组成零件数量较多,为保证预览截图的简洁性,本站将三维文件夹进行了打包。三维及CAD预览截图,均为本站电脑打开软件进行截图的,保证能够打开,下载原件超高清,下载后解压即可;
3、本站所有资源如无特殊说明,都需要本地电脑安装Office2007。图纸软件为AutoCAD,PROE,UG,SolidWorks,CATIA等;
4、本站所有图文资料仅供用户学习参考,不作为任何商用或其他用途;
5、本站不保证下载资源的准确性、安全性和完整性, 不包修改,不支持退换,同时也不承担用户因使用这些下载资源对自己和他人造成任何形式的伤害或损失;
6、 下载文件中如有侵权或不适当内容,请与我们联系,我们立即纠正。