

作品包括:
说明书一份,共20页,约6700字
CAD版本图纸,共4张

目 录
摘 要 0
第1章 绪论 1
1.1选题的目的和意义 1
1.2 夹具设计调查分析 1
第2章 气门摇杆零件的分析 2
2.1 零件的作用 2
2.2 零件的结构分析 2
2.3 零件的尺寸公差分析 3
2.4 零件的表面粗糙度分析 3
第3章 气门摇杆的工艺规程分析 4
3.1 确定生产类型和生产纲领 4
3.2 确定毛坯类型 4
3.3 计算加工余量 4
3.4 定位基准的选择 5
3.5 加工方法的选择 6
3.6 加工工序的安排 6
3.7 确定各工序余量 7
3.8 切削用量计算 7
1. 铣端面计算 7
2. 钻孔计算 8
3. 镗孔计算 9
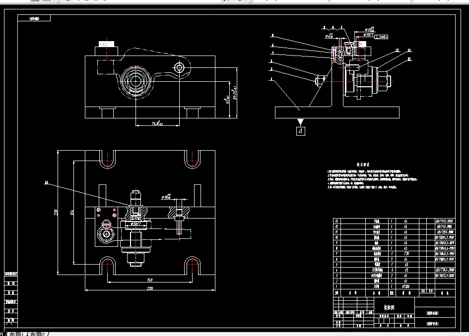
第4章 气门摇杆的钻孔夹具设计 10
4.1 钻床夹具的基本要求 10
4.2 定位基准和夹紧方案的设计 10
4.3 导向装置和夹具体的设计 11
4.4 切削力和夹紧力 12
结语 14
参考文献 15
致谢 0
温馨提示:
1、题目前面的备注【字母数字编号】为本站整理分类的编号,与课题内容无关,请选题时忽视;
2、若题目上备注三维,则表示文件里包含三维源文件,由于三维组成零件数量较多,为保证预览截图的简洁性,本站将三维文件夹进行了打包。三维及CAD预览截图,均为本站电脑打开软件进行截图的,保证能够打开,下载原件超高清,下载后解压即可;
3、本站所有资源如无特殊说明,都需要本地电脑安装Office2007。图纸软件为AutoCAD,PROE,UG,SolidWorks,CATIA等;
4、本站所有图文资料仅供用户学习参考,不作为任何商用或其他用途;
5、本站不保证下载资源的准确性、安全性和完整性, 不包修改,不支持退换,同时也不承担用户因使用这些下载资源对自己和他人造成任何形式的伤害或损失;
6、 下载文件中如有侵权或不适当内容,请与我们联系,我们立即纠正。