

作品包括:
说明书1份,共30页,约5000字
CAD版本本图纸,共7张

目录
摘要 Ⅰ
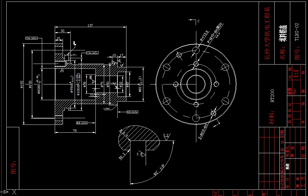
第一部分 填料箱盖加工工艺过程 1
第1章 2
1.1零件分析 2
1.2零件的工艺性分析 3
第2章 4
2.1确定毛坯类型与铸造方法 4
2.2毛胚分型面和浇冒口位置 5
2.2 1毛坯技术要求 5
2.3基准面的选择 5
2.3 1 粗基准的选择 5
2.3 2 精基准的选择 5
2.4制订工艺路线 6
2.5 1毛坯尺寸余量表 9
2.5 2机械加工余量、工序尺寸的确定 10
2.6确定切削用量和基本工时 12
第二部分 夹具设计 14
第3章 15
3.1零件本工序的加工要求分析 15
3.2确定夹具的类型 15
3.3拟定定位方案和选择定位元件 15
3.3.1定位原理图 16
3.3.2选择定位元件 17
3.3.3定位误差的计算 17
3.4确定夹紧方案 18
3.5镋套的类型及结构的确定 18
3.6绘制夹具装配图 19
设计心得 22
参考资料 23
附录
工艺过程卡
工序卡
温馨提示:
1、题目前面的备注【字母数字编号】为本站整理分类的编号,与课题内容无关,请选题时忽视;
2、若题目上备注三维,则表示文件里包含三维源文件,由于三维组成零件数量较多,为保证预览截图的简洁性,本站将三维文件夹进行了打包。三维及CAD预览截图,均为本站电脑打开软件进行截图的,保证能够打开,下载原件超高清,下载后解压即可;
3、本站所有资源如无特殊说明,都需要本地电脑安装Office2007。图纸软件为AutoCAD,PROE,UG,SolidWorks,CATIA等;
4、本站所有图文资料仅供用户学习参考,不作为任何商用或其他用途;
5、本站不保证下载资源的准确性、安全性和完整性, 不包修改,不支持退换,同时也不承担用户因使用这些下载资源对自己和他人造成任何形式的伤害或损失;
6、 下载文件中如有侵权或不适当内容,请与我们联系,我们立即纠正。