

作品包括:
Word版设计说明书1份,共18页,约6000字
CAD版本图纸,共4张
工序卡一张
过程卡一张
摘 要 1
1、盘套的工艺分析及生产类型的确定 3
1.1、盘套的用途 3
1.2、盘套的技术要求: 3
1.3、审查盘套的工艺性 3
1.4、确定盘套的生产类型 4
2、确定毛坯、绘制毛坯简图 4
2.1选择毛胚 4
2.2确定毛胚的尺寸公差和机械加工余量 4
2.2.1盘套锻造毛坯尺寸工差及加工余量 5
2.2.2绘制盘套毛坯简图 5
3、拟定盘套工艺路线 6
3.1、定位基准的选择 6
3.1.1.精基准的选择 6
3.2.2.粗基准的选择 6
3.3、加工阶段的划分 6
3.4、工序的集中与分散 6
3.5、工序顺序的安排 7
3.5.1机械加工工序 7
3.5.2.辅助工序 7
3.6、确定工艺路线 7
4、加工余量、工序尺寸和工差的确定 8
5、切削用量、时间定额的计算 8
5.1、切削用量的计算 8
5.1.1钻孔工步 8
5.1.2 粗铰工步 9
5.1.3精铰工步 9
5.2、时间定额的计算 9
5.2.1.基本时间tj的计算 9
5.2.2.辅助时间ta的计算 10
5.2.3. 其他时间的计算 10
5.2.4.单件时间tdj的计算 11
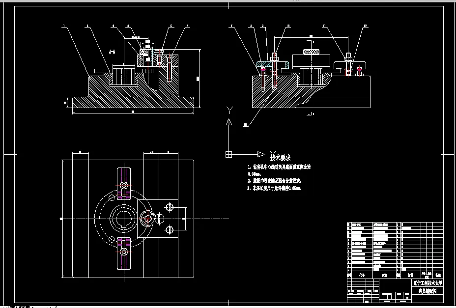
6.夹具设计 11
6.1设计思想 11
6.2夹具设计 12
6.2.1定位分析 12
6.2.2切削力及夹紧力的计算 12
6.2.3夹具操作说明 14
6.2.4确定导向装置 14
7. 体会与展望 14
8.参考文献 16
摘 要
这次设计的是盘套,包括零件图、毛坯图、装配图各一张,机械加工工艺过程卡片和与工序卡片各一张。首先我们要熟悉零件和了解其作用。然后,根据零件的性质和零件图上各端面的粗糙度确定毛坯的尺寸和机械加工余量。最后拟定双联齿轮的工艺路线图,制定该工件的夹紧方案,画出夹具装配图。
此次课程设计我了解并认识一般机器零件的生产工艺过程,巩固和加深已学过的技术基础课和专业课的知识,理论联系实际,从中锻炼自己分析问题、解决问题的能力,为今后的工作打下一个良好的基础,并且为后续课程的学习打好基础。对我们动手动脑的能力有了提高。
温馨提示:
1、题目前面的备注【字母数字编号】为本站整理分类的编号,与课题内容无关,请选题时忽视;
2、若题目上备注三维,则表示文件里包含三维源文件,由于三维组成零件数量较多,为保证预览截图的简洁性,本站将三维文件夹进行了打包。三维及CAD预览截图,均为本站电脑打开软件进行截图的,保证能够打开,下载原件超高清,下载后解压即可;
3、本站所有资源如无特殊说明,都需要本地电脑安装Office2007。图纸软件为AutoCAD,PROE,UG,SolidWorks,CATIA等;
4、本站所有图文资料仅供用户学习参考,不作为任何商用或其他用途;
5、本站不保证下载资源的准确性、安全性和完整性, 不包修改,不支持退换,同时也不承担用户因使用这些下载资源对自己和他人造成任何形式的伤害或损失;
6、 下载文件中如有侵权或不适当内容,请与我们联系,我们立即纠正。