

作品包括:
Word版说明书一份,共40页,约15000字
外文翻译一份
PPT答辩一份
CAD版本图纸,共3张
工艺卡一份
摘 要
本设计设计题目是花键轴工艺及钻模设计。
轴类零件在机械行业中占有很重要的地位。在原动机大多提供回转运动的现状下,轴类零件在各类机械设备的设计中使用频率很高。要保证符合要求的零件质量,除了合理的结构设计以外,在加工中制订并采用合理的加工工艺和符合精度要求的夹具、辅具同样也必不可少。本课题主要针对一特定航空轴进行工艺规范的编制和其中Φ2径向孔钻模夹具的设计。该轴有较为复杂的结构和精度、技术要求。基本可以囊括一般轴类零件的加工方法和步骤。首先,运用机械制造技术及相关的课程知识,依据零件和生产纲领的要求,分析从毛坯到零件整个过程中每一道工序的进行和安排,制定出切实可行的加工工艺规程路线,确定加工方案。然后,根据图纸要求的技术条件解决工件在加工过程中的定位、加紧以及工艺路线的安排等方面的相关问题,确定相关的工艺尺寸及选择合适的机床和刀具。最后,参考机床夹具设计手册及相关方面的书籍,设计出高效、经济、合理并且能保证加工质量的夹具。
关键词:轴,工艺路线,机械制造,钻床夹具
目 录
摘 要 I
ABSTRACT II
目 录 III
第一章 绪 论 1
第二章 零件图的结构分析和工艺分析 2
2.1 基本概念 2
2.2.1 确定生产类型 2
2.2.2 加工零件工艺分析 3
第三章 毛坯类型的选择和工艺路线的制定 5
3.1 确定毛坯 5
3.2 拟定工艺路线 6
3.2.1 各表面加工方法 6
3.2.2 定位基准的选择 7
3.2.3 加工阶段的划分 9
3.3 相关尺寸链计算 10
3.3.1 渗碳层深度计算 10
3.3.2 轴向尺寸图表绘制 13
3.4 各工序顺序安排 19
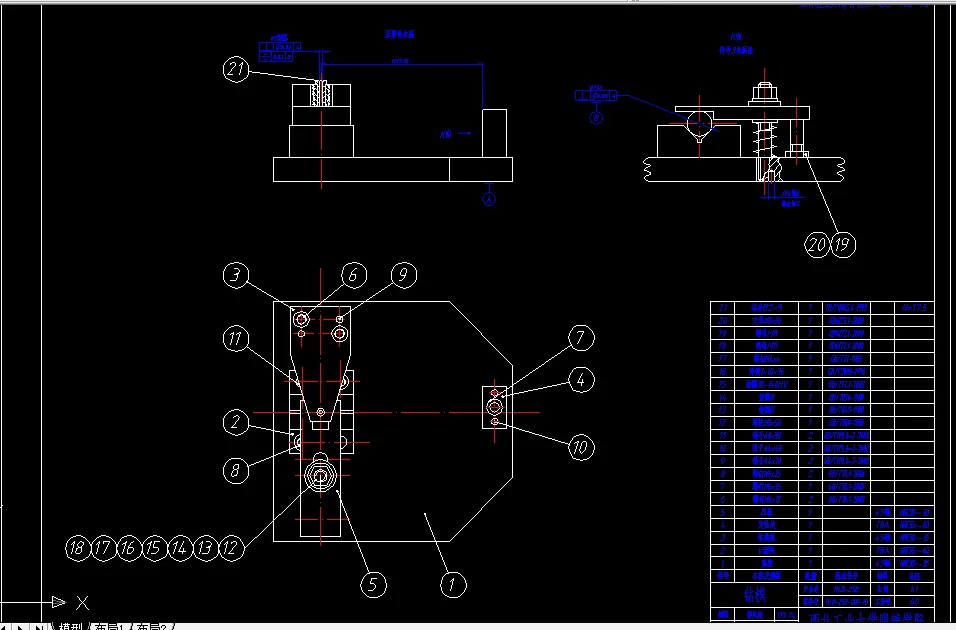
第四章 夹具设计和分析 22
4.1 问题的提出 22
4.2 钻床夹具结构和类型的选取 22
4.3 夹具定位元件的选择 23
4.4 钻套设计 23
4.4.1 钻套种类的选择 23
4.4.2 钻套内径尺寸、公差及配合的选择 23
4.4.3 钻套与工件距离S 25
4.4.4 钻套的材料 25
4.5 钻模板设计 25
4.6 加紧装置的设计计算 26
4.6.1 夹紧装置的选用 26
4.6.2 夹紧力的确定 26
4.7设计夹具与机床定位的紧固结构 27
4.8 夹具体(底座)设计 28
4.9夹具精度分析 29
4.10 夹具装配图 30
第五章 全文总结 32
参考文献 33
致 谢 34
毕业设计小结 35
附录 36
温馨提示:
1、题目前面的备注【字母数字编号】为本站整理分类的编号,与课题内容无关,请选题时忽视;
2、若题目上备注三维,则表示文件里包含三维源文件,由于三维组成零件数量较多,为保证预览截图的简洁性,本站将三维文件夹进行了打包。三维及CAD预览截图,均为本站电脑打开软件进行截图的,保证能够打开,下载原件超高清,下载后解压即可;
3、本站所有资源如无特殊说明,都需要本地电脑安装Office2007。图纸软件为AutoCAD,PROE,UG,SolidWorks,CATIA等;
4、本站所有图文资料仅供用户学习参考,不作为任何商用或其他用途;
5、本站不保证下载资源的准确性、安全性和完整性, 不包修改,不支持退换,同时也不承担用户因使用这些下载资源对自己和他人造成任何形式的伤害或损失;
6、 下载文件中如有侵权或不适当内容,请与我们联系,我们立即纠正。