

作品包括:
Word版设计说明书1份,共15页,约4000字
CAD版本图纸,共4张
摘 要
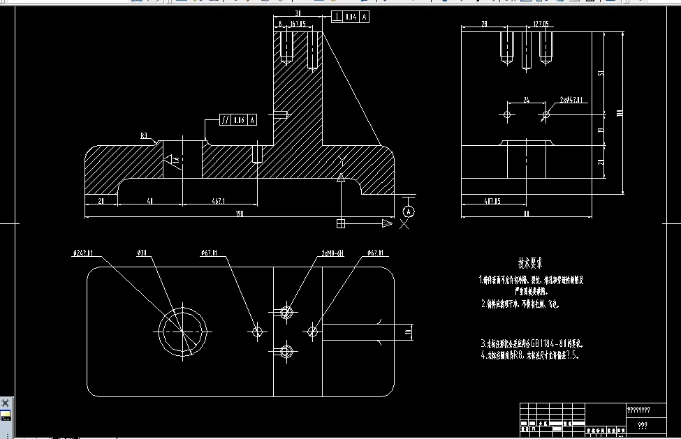
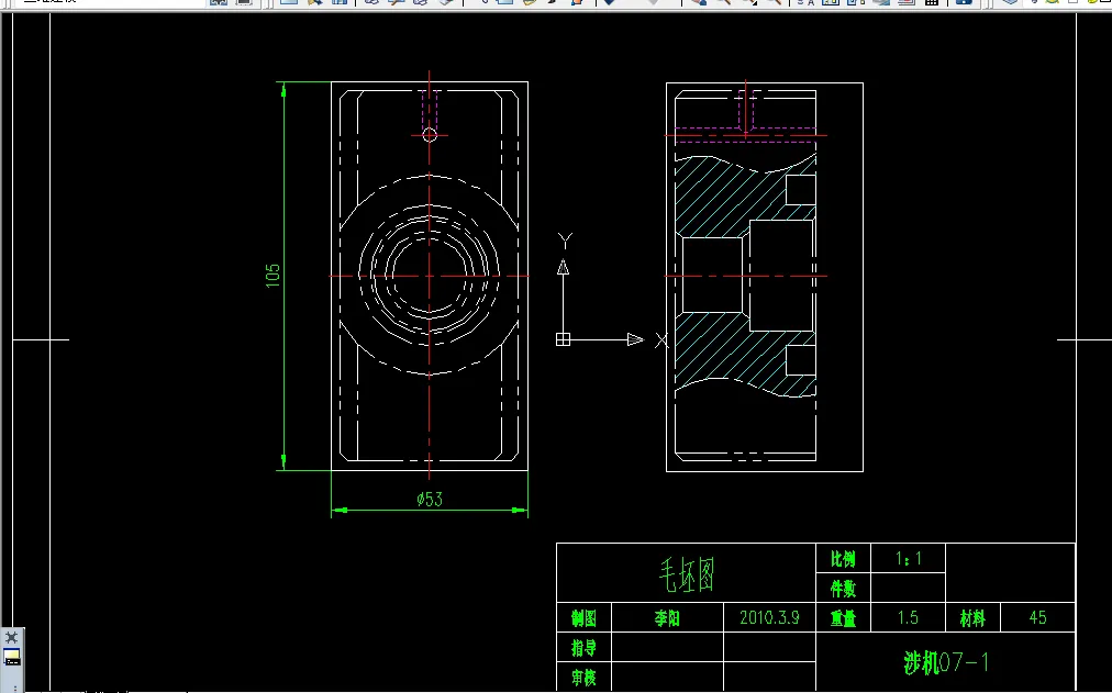
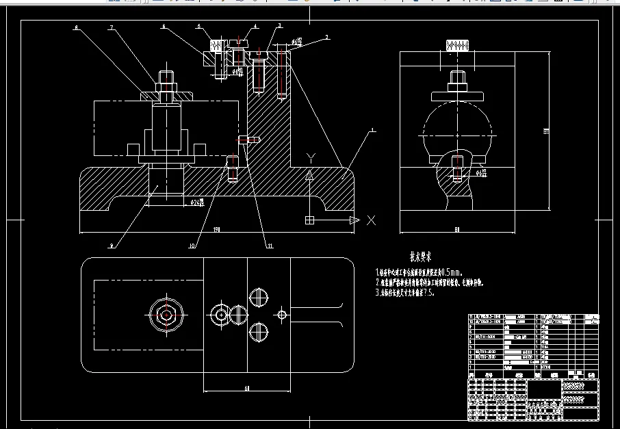
本次课程设计主要内容包括圆柱滑块的加工工艺过程设计和钻Ф4孔的专用夹具设计,在课程设计过程中完成了零件图、毛坯图、夹具体装配图和夹具体零件图的绘制。
我希望通过这次课程设计能巩固、扩大和强化自己所学到的理论知识与技能,提高自己设计计算、制图、编写技术文件的能力,学会正确使用技术资料、标准、手册等工具书,并在设计中培养自己理论联系实际、严肃认真的工作作风和独立工作能力,为以后进行毕业设计和毕业后从事技术工作打下一个良好的基础。
能够顺利的完成这次课程设计,首先得助于冷岳峰老师的悉心指导,同学们的耐心解答。在设计过程中,缺乏实际的生产经验,导致在设计中碰到了许多的问题。但在同学们的帮助下,通过请教老师,翻阅资料、查工具书,解决设计过程中的一个又一个的问题。在此,十分感谢冷岳峰老师的细心指导,感谢同学们的互相帮助。
目 录
1零件的工艺分析及生产类型的确定…………………………1
1.1零件的工艺分析…………………………………………..1
1.2零件的生产类型…………………………………………..1
2选择毛坯、确定毛坯尺寸、绘制毛坯简图…………………1
2.1 毛坯的选择……………………………………………….1
2.2 确定机械加工余量、毛坯尺寸和公差………………...2
2.3 设计及绘制毛坯图………………………………………2
3 机械加工工艺规程设计………………………………………2
3.1拟定工艺路线……………………………………………..2
3.2 定位基准的选择………………………………………….3
3.3 工序顺序的安排………………………………………….3
4 工序设计……………………………………………………….5
4.1选择加工设备……………………………………………..5
4.2选择工艺装备……………………………………………..5
4.1.3选择夹具………………………………………………5
4.2.2选择刀具………………………………………………5
4.2.3选择量具………………………………………………5
5 Ф4孔的专用机床夹具设计……………………………………5
5.1定位方案设计……………………………………………..5
5.2定位误差分析与计算……………………………………6 5.3导向元件设计………………………………………………6
5.4加紧装置的设计……………………………………………6
5.5夹具结构设计及操作简要说明…………………………..7
6方案综合评价与结论…………………………………………..7
7体会与展望……………………………………………………...7
参考文献…………………………………………………………..9
温馨提示:
1、题目前面的备注【字母数字编号】为本站整理分类的编号,与课题内容无关,请选题时忽视;
2、若题目上备注三维,则表示文件里包含三维源文件,由于三维组成零件数量较多,为保证预览截图的简洁性,本站将三维文件夹进行了打包。三维及CAD预览截图,均为本站电脑打开软件进行截图的,保证能够打开,下载原件超高清,下载后解压即可;
3、本站所有资源如无特殊说明,都需要本地电脑安装Office2007。图纸软件为AutoCAD,PROE,UG,SolidWorks,CATIA等;
4、本站所有图文资料仅供用户学习参考,不作为任何商用或其他用途;
5、本站不保证下载资源的准确性、安全性和完整性, 不包修改,不支持退换,同时也不承担用户因使用这些下载资源对自己和他人造成任何形式的伤害或损失;
6、 下载文件中如有侵权或不适当内容,请与我们联系,我们立即纠正。