

作品包括:
说明书1份,共28页,约8800字左右
CAD版本图纸,共5张
工序卡一张
过程卡一张

摘 要
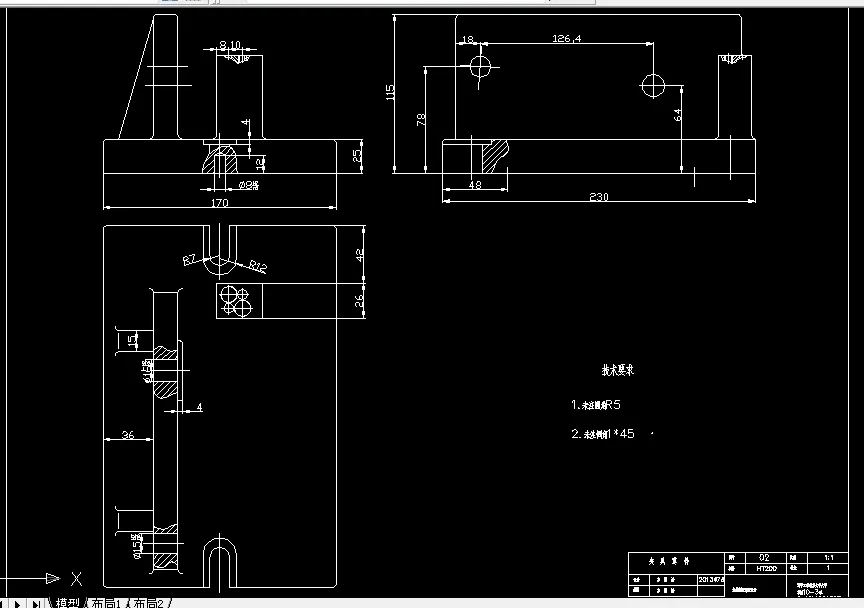
本次设计是车床变速箱中拔叉零件的加工工艺规程及一些工序的专用夹具设计。此拔叉零件的结构较为复杂,其加工的地方主要是孔和平面。本设计先加工孔后加工面。将孔与平面的加工明确划分成粗加工和精加工阶段以保证它们的加工精度。基准选择以拔叉Φ32外圆作为粗基准,来加工中间的通孔,然后以此加工过的孔作为精基准。主要加工工序安排是先以中心孔定位加工出顶平面和右侧平面以及下面的大孔的两平面,再以中心孔定位加工出下端的大孔。加工时是用镗床镗孔。最后以这两个孔为基准,分别加工右侧的槽和顶面的螺纹底孔。整个加工过程选用了钻床、铣床和镗床。工件在机床上定位夹紧选用专用夹具,夹紧方式为手动夹紧,夹紧可靠,操作方便。因此生产效率较高,适用于大批量、流水线上加工。能够满足设计要求。
关键词:加工工艺 定位 夹紧 专用夹具
目 录
1序 言 1
2零件的分析 1
2.1零件的作用 1
2.2零件的工艺分析 2
2.3审查拨叉的工艺性 3
2.4确定拨叉生产类型 4
2.4.1中批量生产 4
2.4.2中批量生产采用流水线工艺特点 4
3工艺规程设计 5
3.1确定毛坯的制造形式 5
3.2基面的选择 5
3.3制定工艺路线 5
3.4机械加工余量、工序尺寸及毛皮尺寸的确定 6
3.5确立切削用量及基本工时 8
4夹具设计 13
4.1问题的提出 13
4.2夹具设计 13
4.2.1定位基准的选择 13
4.2.2切削力和夹紧力计算 14
4.2.3 定位误差分析 15
4.2.4. 夹具设计及操作的简要说明 16
5小 结 16
参考文献 18
温馨提示:
1、题目前面的备注【字母数字编号】为本站整理分类的编号,与课题内容无关,请选题时忽视;
2、若题目上备注三维,则表示文件里包含三维源文件,由于三维组成零件数量较多,为保证预览截图的简洁性,本站将三维文件夹进行了打包。三维及CAD预览截图,均为本站电脑打开软件进行截图的,保证能够打开,下载原件超高清,下载后解压即可;
3、本站所有资源如无特殊说明,都需要本地电脑安装Office2007。图纸软件为AutoCAD,PROE,UG,SolidWorks,CATIA等;
4、本站所有图文资料仅供用户学习参考,不作为任何商用或其他用途;
5、本站不保证下载资源的准确性、安全性和完整性, 不包修改,不支持退换,同时也不承担用户因使用这些下载资源对自己和他人造成任何形式的伤害或损失;
6、 下载文件中如有侵权或不适当内容,请与我们联系,我们立即纠正。