

作品包括:
Word版说明书1份,共30页,约10000字
工序卡10张
工艺过程卡1张
CAD版本图纸,共4张
目 录
绪 论 1
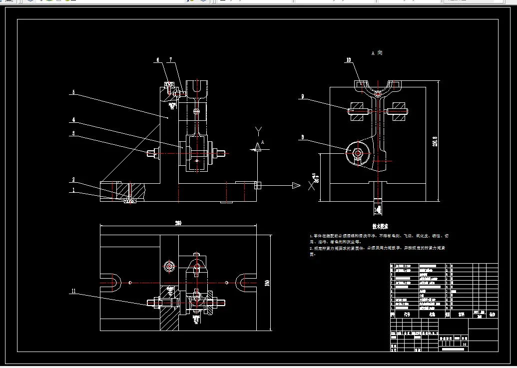
1 气门摇杆体加工工艺 2
1.1 气门摇杆体的结构特点 2
1.2 气门摇杆体的主要技术要求 2
1.3 气门摇杆体的材料和毛坯 2
1.4 气门摇杆体的机械加工工艺过程 4
1.5 确定各工序的加工余量、计算工序尺寸及公差 5
1.6 工时定额的计算 7
2 夹具设计 22
2.1问题的指出 22
2.3切削力和夹紧力的计算 22
2.4定位误差分析 23
2.5定位键与对刀装置设计 24
2.6夹具工作原理 26
结 论 27
致 谢 28
参考文献 29
温馨提示:
1、题目前面的备注【字母数字编号】为本站整理分类的编号,与课题内容无关,请选题时忽视;
2、若题目上备注三维,则表示文件里包含三维源文件,由于三维组成零件数量较多,为保证预览截图的简洁性,本站将三维文件夹进行了打包。三维及CAD预览截图,均为本站电脑打开软件进行截图的,保证能够打开,下载原件超高清,下载后解压即可;
3、本站所有资源如无特殊说明,都需要本地电脑安装Office2007。图纸软件为AutoCAD,PROE,UG,SolidWorks,CATIA等;
4、本站所有图文资料仅供用户学习参考,不作为任何商用或其他用途;
5、本站不保证下载资源的准确性、安全性和完整性, 不包修改,不支持退换,同时也不承担用户因使用这些下载资源对自己和他人造成任何形式的伤害或损失;
6、 下载文件中如有侵权或不适当内容,请与我们联系,我们立即纠正。