

作品包括:
Word版说明书1份,共21页,8600字
工序卡10张
工艺过程卡1张
任务书一份
CAD版本图纸,共4张
Proe三维图一份

摘要
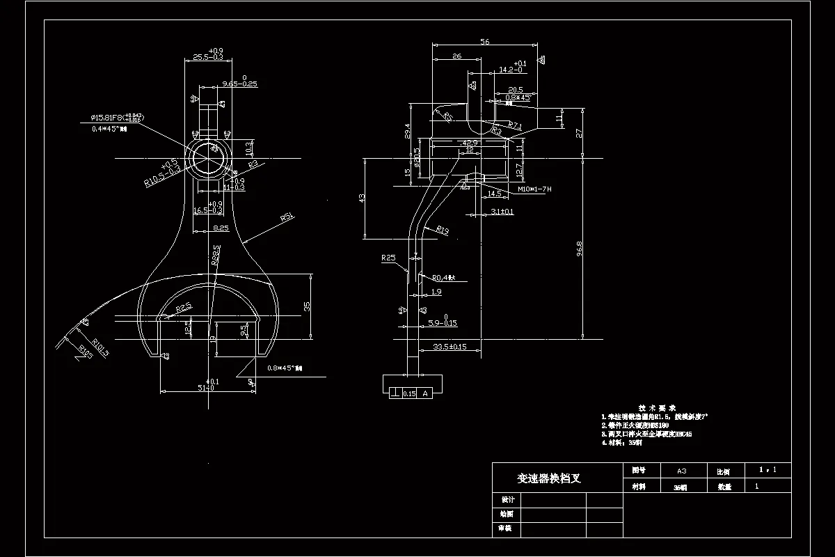
变速器换档叉位于主轴箱。主要作用是传递扭矩,使变速器获得换档的动力。优点是可以从一种速度直接变到另一种速度,而不需要经过中间的一系列,因此变速很方便;其缺点是比较复杂。
本课题根据调查研究所提供的数据和有关技术资料,运用机械制造技术理论等相关专业知识对变速器换挡叉零件的作用和工艺进行了分析和计算,并对该换挡叉的加工工艺以及其夹具进行了优化设计。
本制定了变速器换挡叉的工艺规程方案,拟定了夹具设计方案并完成了其第五工序的夹具结构设计。最后通过使用AUTOCAD绘制装配图和零部件图,用PRO/E进行实体建模,生成能够用于实际生产的工程图纸,保证了加工质量的高效、省力、经济合理。
关键字:变速器换档叉,工艺规程,夹具,PRO/E实
目录
摘要I
第1章变速器换挡叉零件工艺分析3
1.1变速器换挡叉零件的作用与工艺分析3
1.1.1变速器换挡叉零件的作用3
1.1.2变速器换挡叉零件的工作原理3
1.1.3变速器换挡叉的工艺分析3
1.2换挡叉的零件关键表面的技术要求5
第2章变速器换挡叉零件工艺设计6
2.1换挡叉毛坯生产类型的确定6
2.2变速器换挡叉的毛坯选择与毛坯图说明6
2.2.1确定换挡叉毛坯的制造形式6
2.2.2确定换挡叉毛坯的尺寸公差和机械加工余量6
3粗钻φ15.81孔夹具设计15
3.1总体方案设计15
3.2定位分析及误差计算16
3.3夹紧机构设计与夹紧力计算17
3.4对刀即引导装置设计17
3.5夹紧操作动作说明18
设计心得19
参考文献20
附录钻φ15.81孔三维图21
温馨提示:
1、题目前面的备注【字母数字编号】为本站整理分类的编号,与课题内容无关,请选题时忽视;
2、若题目上备注三维,则表示文件里包含三维源文件,由于三维组成零件数量较多,为保证预览截图的简洁性,本站将三维文件夹进行了打包。三维及CAD预览截图,均为本站电脑打开软件进行截图的,保证能够打开,下载原件超高清,下载后解压即可;
3、本站所有资源如无特殊说明,都需要本地电脑安装Office2007。图纸软件为AutoCAD,PROE,UG,SolidWorks,CATIA等;
4、本站所有图文资料仅供用户学习参考,不作为任何商用或其他用途;
5、本站不保证下载资源的准确性、安全性和完整性, 不包修改,不支持退换,同时也不承担用户因使用这些下载资源对自己和他人造成任何形式的伤害或损失;
6、 下载文件中如有侵权或不适当内容,请与我们联系,我们立即纠正。