

作品包括:
Word版说明书1份,共29页,约10000字
工序卡8张
工艺过程卡1张
开题报告一份
CAD版本图纸,共9张

摘要
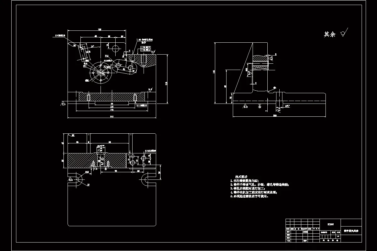
论述拨叉零件的工艺规程及铣削下边的半圆夹具设计,研究零件机械加工工艺规程的设计问题,介绍工艺规程的组成、制定路线等。说明零件的机械加工工艺结构性,结合生产主要从零件分析、毛坯的选择、工艺路线的拟定、工序内容的确定等几个方面详细的讲述了拨叉零件工艺过程设计以及工艺编制中应注意的问题,以及如何才能达到最理想的表面质量和经济效益。
针对设计给定的题目,设计铣削R24和R30半圆专用铣床夹具。夹具设计包括:设计出对零件进行定位,夹紧,还有引导的各个元件。在这里尤其要注意的是,夹具在定位零部件的时候,会产生误差,这个误差要在的合理控制范围以内,要充分了解夹具的优缺点,以便改进。
关键词:拨叉、半圆、铣床夹具、加工工艺、工艺路线
目 录
摘要 I
ABSTRACT II
1 引言 1
2 零件分析及毛坯的选择 2
2.1 零件的作用 2
2.2 零件分析 2
2.2.1组成表面 2
2.2.2技术要求 3
2.2.3形位公差 3
2.3 毛坯的选择 3
2.3.1选择毛坯的原则 3
2.3.2零件毛坯的选择及制造方法 4
2.3.3毛坯的热处理 4
3 拟定工艺路线 5
3.1 定位基准的选择 5
3.1.1粗基准的选择 5
3.1.2精基准的选择 5
3.2 加工工艺路线的拟定 6
3.3 加工方法的拟定 7
4 加工余量、切削用量及切削时间的确定 9
4.1 加工余量的确定 9
4.2 切削用量及切削时间的确定 10
5 铣床专用夹具设计 19
5.1 确定定位方案、定位元件 19
5.1.1确定定位方案 19
5.1.2确定定位元件 19
5.2 确定夹紧方案、夹紧元件 20
5.2.1确定夹紧方案 20
5.2.2确定夹紧元件 20
5.3 确定夹具体 20
5.4 确定导向装置 21
5.5 铣削力计算 21
5.6 定位误差分析 22
5.7 加工精度误差分析 22
结论 24
致谢 25
参考文献 26
温馨提示:
1、题目前面的备注【字母数字编号】为本站整理分类的编号,与课题内容无关,请选题时忽视;
2、若题目上备注三维,则表示文件里包含三维源文件,由于三维组成零件数量较多,为保证预览截图的简洁性,本站将三维文件夹进行了打包。三维及CAD预览截图,均为本站电脑打开软件进行截图的,保证能够打开,下载原件超高清,下载后解压即可;
3、本站所有资源如无特殊说明,都需要本地电脑安装Office2007。图纸软件为AutoCAD,PROE,UG,SolidWorks,CATIA等;
4、本站所有图文资料仅供用户学习参考,不作为任何商用或其他用途;
5、本站不保证下载资源的准确性、安全性和完整性, 不包修改,不支持退换,同时也不承担用户因使用这些下载资源对自己和他人造成任何形式的伤害或损失;
6、 下载文件中如有侵权或不适当内容,请与我们联系,我们立即纠正。