

作品包括:
Word版说明书1份,共34页,约10000字
工序卡6张
工艺过程卡1张
CAD版本图纸,共4张

摘要
夹具课程设计对每一个理工科学生而言都是必不可少的,夹具的设计和研究为今后的学生和工作将提供很大的帮助。
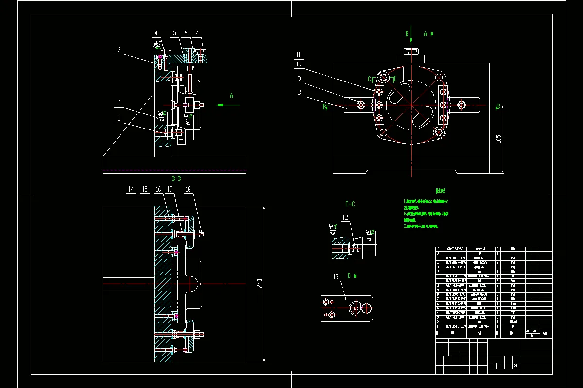
本文设计的任务是设计气缸盖的加工工艺及钻Φ5孔;钻、攻NPT1/8螺纹孔的专用夹具。在充分了解零件的结构后,对其毛坯尺寸、制造类型、基准、加工的工艺路线进行了确定;然后依据设计的加工工艺路线,对每一个工序进行计算。
本次设计出的钻Φ5孔;钻、攻NPT1/8螺纹孔的夹具,在减少停机时间的同时,还提高生产效率。在进行该专用夹具设计的时候,首先应该是建立在对零件的工艺进行分析、选择粗精基准、进行必要计算的基础上。该夹具在设计之初就注重结构工艺性,所以本次设计的夹具结构简易、紧凑,操作起来也比较方便灵活。更重要的是它在提高生产效率方面所起的作用尤为突出,体现了这次设计的主旨。
关键词:气缸盖、加工工艺、钻Φ5孔;钻、攻NPT1/8螺纹孔夹具、夹具设计
目录
摘要I
序言- 1-
第1章零件的分析- 2-
1.1零件的分析- 2-
1.2零件的主次表面- 2-
1.3零件表面的技术要求- 3-
1.4结构工艺性分析- 3-
第2章计算生产纲领、确定生产类型- 4-
2.1生产纲领- 4-
2.2生效率分析- 4-
2.3生产类型- 4-
第3章毛坯的制造方法- 6-
3.1确定毛坯的制造形式- 6-
3.2毛坯尺寸公差- 6-
3.3毛坯简图- 6-
第4章制订工艺路线- 7-
4.1定位基准选择- 7-
4.1.1粗基准的选择原则- 7-
4.1.2精基准选择的原则- 7-
4.2定位误差- 8-
4.3选择加工方法- 8-
4.4划分加工阶段- 8-
4.5工序的集中与分散- 9-
4.6确定工序顺序- 9-
4.7制定工艺路线- 10-
第5章加工余量、工序尺寸及公差- 13-
第6章选择加工设备及工艺装备- 15-
第7章选择切削用量、确定时间定额- 16-
第8章填写工艺文件- 22-
第9章钻床夹具设计- 23-
9.1、专用夹具的提出- 23-
9.2、夹具的定位方案- 23-
9.3、夹具的夹紧方案- 24-
9.4、导向元件的设计- 25-
9.5、夹具设计及操作简要说明- 28-
总结- 29-
参考文献- 30-
温馨提示:
1、题目前面的备注【字母数字编号】为本站整理分类的编号,与课题内容无关,请选题时忽视;
2、若题目上备注三维,则表示文件里包含三维源文件,由于三维组成零件数量较多,为保证预览截图的简洁性,本站将三维文件夹进行了打包。三维及CAD预览截图,均为本站电脑打开软件进行截图的,保证能够打开,下载原件超高清,下载后解压即可;
3、本站所有资源如无特殊说明,都需要本地电脑安装Office2007。图纸软件为AutoCAD,PROE,UG,SolidWorks,CATIA等;
4、本站所有图文资料仅供用户学习参考,不作为任何商用或其他用途;
5、本站不保证下载资源的准确性、安全性和完整性, 不包修改,不支持退换,同时也不承担用户因使用这些下载资源对自己和他人造成任何形式的伤害或损失;
6、 下载文件中如有侵权或不适当内容,请与我们联系,我们立即纠正。