

作品包括:
说明书一份,共29页,约11000字
CAD版本图纸,共4张

目 录
摘 要 I
Abstract II
1 概述发展 1
1.1机床夹具的主要功能 1
1.2机床夹具的组成 1
1.3 夹具设计的步骤和基本要求 1
2 工艺规程设计 7
2.1毛坯的制造形式 7
2.2 零件分析 7
2.3 基面的选择 7
2.3.1 粗基准的选择原则 7
2.3.2 精基准选择的原则 8
2.4 制定工艺路线 8
2.5 确定各工序的加工余量及公差 9
2.6 确定切削用量及基本工时 10
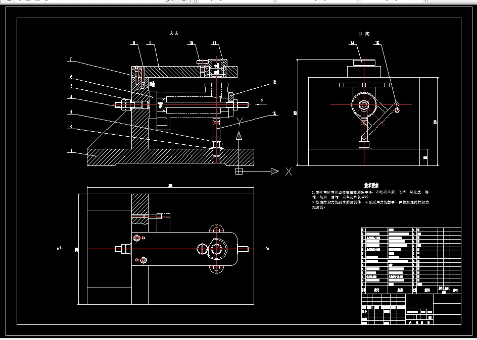
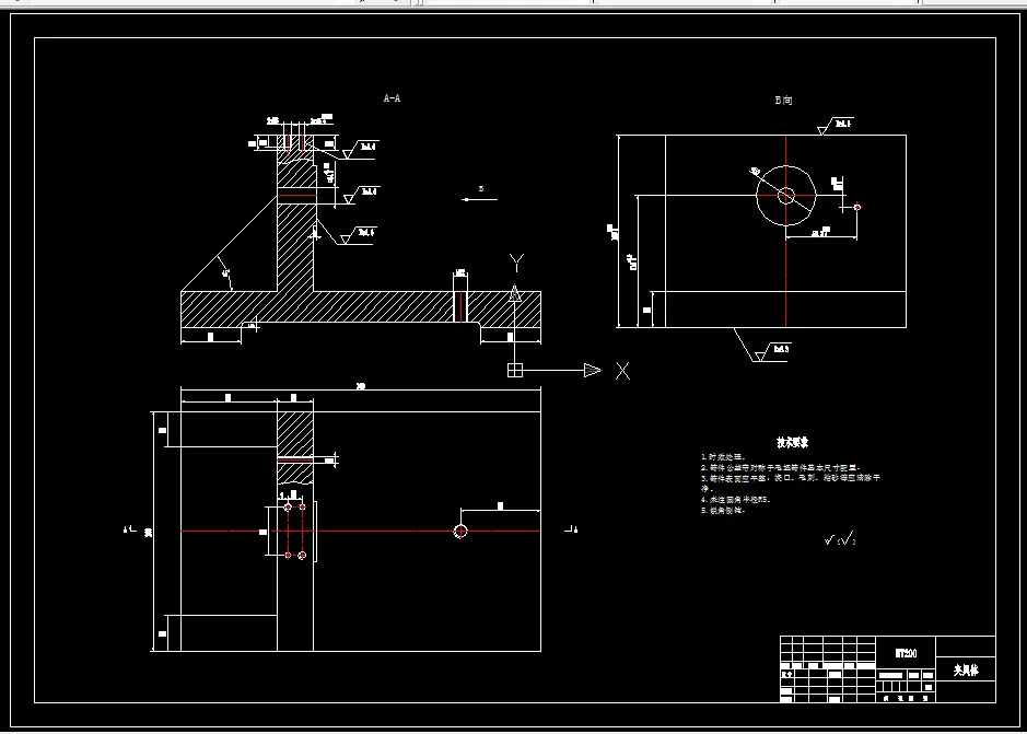
3钻φ18孔夹具设计 19
3.1专用夹具的提出 19
3.2定位分析 19
3.3分析计算定位误差 19
3.3.1基准位移误差 19
3.3.2基准不重合误差 19
3.4夹具的夹紧方案 20
3.4.1选择夹紧方案 20
3.4.2切削力和夹紧力的计算 20
3.5导向元件的设计 20
3.6夹具设计及操作简要说明 22
总 结 23
致 谢 24
参 考 文 献 25
温馨提示:
1、题目前面的备注【字母数字编号】为本站整理分类的编号,与课题内容无关,请选题时忽视;
2、若题目上备注三维,则表示文件里包含三维源文件,由于三维组成零件数量较多,为保证预览截图的简洁性,本站将三维文件夹进行了打包。三维及CAD预览截图,均为本站电脑打开软件进行截图的,保证能够打开,下载原件超高清,下载后解压即可;
3、本站所有资源如无特殊说明,都需要本地电脑安装Office2007。图纸软件为AutoCAD,PROE,UG,SolidWorks,CATIA等;
4、本站所有图文资料仅供用户学习参考,不作为任何商用或其他用途;
5、本站不保证下载资源的准确性、安全性和完整性, 不包修改,不支持退换,同时也不承担用户因使用这些下载资源对自己和他人造成任何形式的伤害或损失;
6、 下载文件中如有侵权或不适当内容,请与我们联系,我们立即纠正。