

作品包括:
Word版说明书1份,共44页,约14000字
工序卡10张
工艺过程卡1张
CAD版本图纸,共5张
SW三维图一套

摘 要
针对此次设计来看,设计的主体是液压泵泵体,在加工此零件的时候,选用的是铣夹具和钻夹具,整个过程中需要完成夹具的相关设计,最为主要的一个目的就是为了能够在整个学习的过程中,掌握一套自己熟悉的关于夹具设计的理论,然后还需要对工件进行工艺设计,整个流程中涉及的参数都需要进行计算,最后是完成整体的装配以及零部件的设计,并出具相应图纸,具体情况如下:
1.需要先对整个夹具有非常深入的了解,包括其自身的成型相关理论以及夹具相关的知识,对其进行梳理汇总,完成上述绪论;
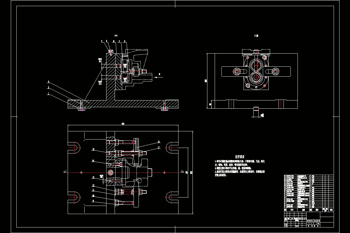
2.对加工要求的工件进行相关工艺分析,之后完成铣夹具和钻夹具的方案确定;
3.考虑到毛坯自身的问题,完成工艺部分的设计,然后还需要根据毛坯的余量问题,完成整个毛坯图的评估过程,这个加工过程中的相关力以及相关参数都需要进行计算;
4.对整个加工中的核心部分进行专门设计,这部分主要是定位机构、夹紧机构和引导装置的问题,之后就是相关其他部件的设计了,完整整体结构设计;
5.设计完成之后,对其进行装配,夹具装配完成后,还需要对采用的定位和夹紧设备进行校核;
6.将上述内容进行汇总梳理,完成说明书撰写。
关键词:液压泵泵体;工艺分析;夹具设计
目 录
摘 要 I
Abstract II
第1章 绪 论 1
1.1制造业的地位及其作用 1
1.2 夹具领域的发展方向 1
1.2 研究内容以及研究方法 2
第2章 零件分析 4
2.1 零件的主要作用 4
2.2 分析以及选择材料 4
2.3 工艺分析 4
第3章 工艺规程的设计 6
3.1 确定零件的生产类型 6
3.2 确定毛坯 6
3.3 基准的选择 7
3.3.1精基准的选择原则 7
3.3.2粗基准的选择原则 7
3.4 主要的加工工序的工艺路线安排 8
3.5 加工设备与工艺设备的选择 9
3.6 切削用量 10
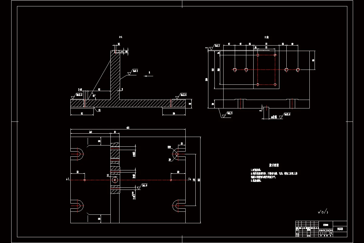
第4章 液压泵泵体铣底面夹具 35
4.1 选择定位基准 35
4.2 确定夹具的结构以及夹紧机构的方案 35
4.2.1确定夹具的结构 35
4.2. 2夹紧机构的设计 35
4.3 设计整体夹具装配图 35
4.4 切削力的计算 35
4.5 分析与计算误差 36
4.5.1 误差计算 36
4.5.2转角误差 36
4.6 对刀块 37
结 论 39
参考文献40
温馨提示:
1、题目前面的备注【字母数字编号】为本站整理分类的编号,与课题内容无关,请选题时忽视;
2、若题目上备注三维,则表示文件里包含三维源文件,由于三维组成零件数量较多,为保证预览截图的简洁性,本站将三维文件夹进行了打包。三维及CAD预览截图,均为本站电脑打开软件进行截图的,保证能够打开,下载原件超高清,下载后解压即可;
3、本站所有资源如无特殊说明,都需要本地电脑安装Office2007。图纸软件为AutoCAD,PROE,UG,SolidWorks,CATIA等;
4、本站所有图文资料仅供用户学习参考,不作为任何商用或其他用途;
5、本站不保证下载资源的准确性、安全性和完整性, 不包修改,不支持退换,同时也不承担用户因使用这些下载资源对自己和他人造成任何形式的伤害或损失;
6、 下载文件中如有侵权或不适当内容,请与我们联系,我们立即纠正。