

作品包括:
说明书1份,共19页,约7500字左右
工序卡一张
过程卡一份
CAD版本本图纸,共4张

目 录
第1章零件分析 1
1.1计算生产纲领,确定生产类型 1
1.2零件的作用 1
1.3零件的工艺性分析和零件图的审查 2
第2章 工艺过程设计 3
2.1零件表面加工方法的选择 3
2.2工艺路线的制订 3
2.3选择毛坯 5
2.4定位基准的选择 5
2.5工艺方案的经济技术比较 6
2.6机床的选择 6
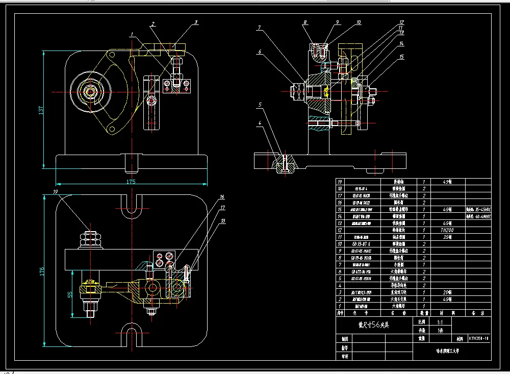
2.7选择夹具 6
2.8选择刀具 7
2.9 选择量具 7
2.10加工量计算表 7
2.11工序 加工尺寸 尺寸公差 使用量具 8
2.12确定工序尺寸 8
第3章 机械加工计算 9
3.1粗铣上下端面和上表面 9
3.2钻Φ10和Φ2-6孔 9
3.3铰Φ10和Φ2-6孔 10
3.4精铣上表面 11
3.5粗铣前端面和后端面 11
3.6精铣前端面 11
3.7钻Φ2-9孔: 12
第4章夹具设计 13
4.1铣床夹具的主要类型及结构形式 13
4.2铣床夹具的设计要点 13
4.3确定设计方案 14
4.4削力及夹紧力计算 15
设计心得 16
参考文献 17
附录 18
温馨提示:
1、题目前面的备注【字母数字编号】为本站整理分类的编号,与课题内容无关,请选题时忽视;
2、若题目上备注三维,则表示文件里包含三维源文件,由于三维组成零件数量较多,为保证预览截图的简洁性,本站将三维文件夹进行了打包。三维及CAD预览截图,均为本站电脑打开软件进行截图的,保证能够打开,下载原件超高清,下载后解压即可;
3、本站所有资源如无特殊说明,都需要本地电脑安装Office2007。图纸软件为AutoCAD,PROE,UG,SolidWorks,CATIA等;
4、本站所有图文资料仅供用户学习参考,不作为任何商用或其他用途;
5、本站不保证下载资源的准确性、安全性和完整性, 不包修改,不支持退换,同时也不承担用户因使用这些下载资源对自己和他人造成任何形式的伤害或损失;
6、 下载文件中如有侵权或不适当内容,请与我们联系,我们立即纠正。