

作品包括:
word版设计说明书一份,共61页,约17000字
CAD版本图纸,共3张
工艺卡片一套
过程卡片一套

摘 要
本设计的内容可分为机械加工工艺规程设计和机床专用夹具设计两大部分。首先,通过分析总泵缸体,了解到总泵缸体在汽车中的作用。运用机械制造技术及相关课程的一些知识,解决汽车总泵缸体在加工中的定位、夹紧以及工艺路线的安排等方面的相关问题,确定相关的工艺尺寸及选择合适的机床和刀具,保证零件的加工质量。其次,依据总泵缸体毛坯件和生产纲领的要求及各加工方案的比较,制定出切实可行的加工工艺规程路线。最后,根据被加工零件的加工要求,参考机床夹具设计手册及相关方面的书籍,运用夹具设计的基本原理和方法,拟定夹具设计的方案,设计出高效、省力、经济合理并且能保证加工质量的车床专用夹具。
关键词:总泵缸体;机械加工;专用夹具
目 录
摘 要 I
Abstract II
第1章 绪 论 1
1.1 总泵缸体综述 1
1.2 总泵缸体国内外发展概况 1
1.2.1 总泵缸体机械加工工艺发展情况 1
1.2.2 总泵缸体夹具发展情况 2
第2章 总泵缸体的毛坯和工艺分析 5
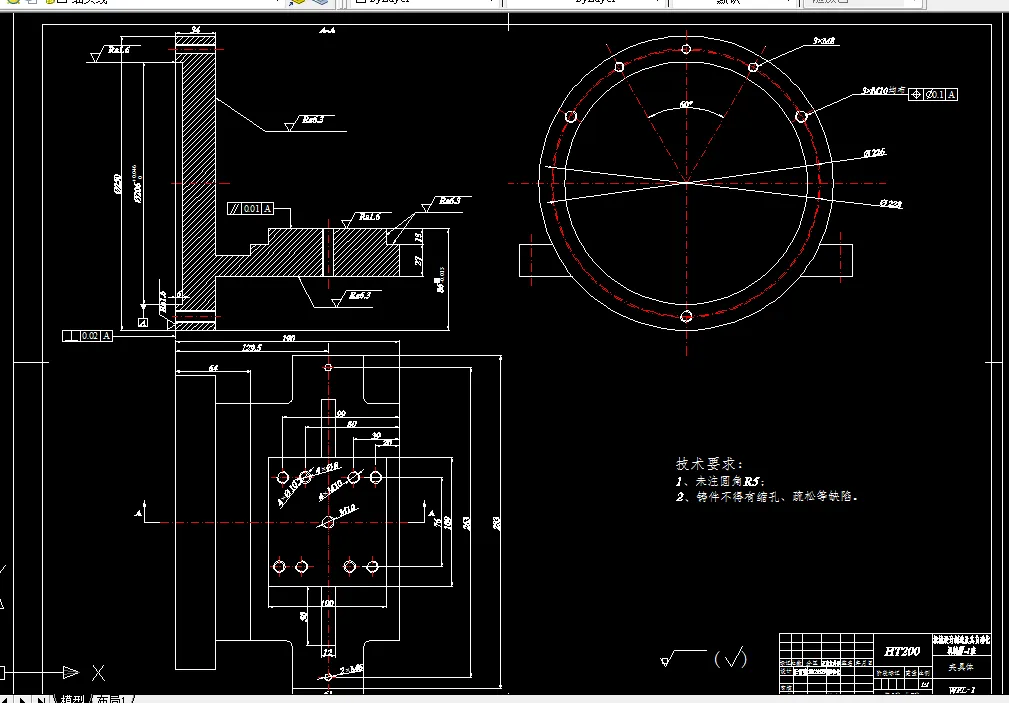
2.1 总泵缸体的作用 5
2.2 分析总泵缸体零件图 5
2.3 确定总泵缸体的毛坯 6
2.3.1 选择毛坯 6
2.3.2 机械加工余量、工序尺寸及毛坯尺寸的确定 6
2.3.3 毛坯的材料及热处理的确定 10
2.4 总泵缸体机械加工工艺过程设计原则 12
2.4.1 孔和平面的加工顺序 12
2.4.2 孔系加工方案选择 12
第3章 总泵缸体机械加工工艺规程的制订 13
3.1 总泵缸体加工定位基准的选择 13
3.1.1 粗基准的选择 13
3.1.2 精基准的选择 14
3.2 机械加工工艺路线的制订 14
3.2.1 总泵缸体的加工工序安排 14
3.2.2 确定切削用量及基本时间 20
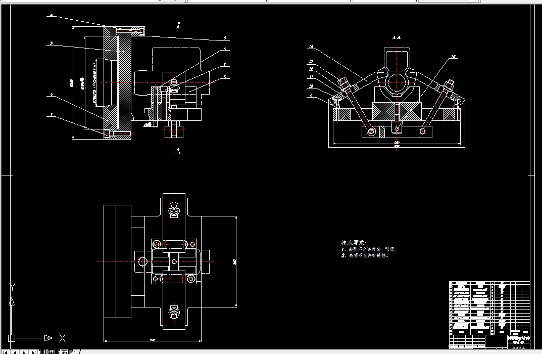
第4章 车床专用夹具设计 48
4.1 确定定位方案、选择定位元件 48
4.1.1 确定定位方案 48
4.1.2 选择定位元件 49
4.2 夹具配重设计 49
4.3 确定夹紧方案、设计夹紧机构 49
4.4 夹具体的设计 49
4.5 夹具分析计算 50
4.5.1 夹具精度分析与计算 50
4.5.2 夹紧力计算 51
4.6 夹具的使用说明 52
4.7 夹具的结构特点 52
结 论 53
致 谢 54
参考文献 55
温馨提示:
1、题目前面的备注【字母数字编号】为本站整理分类的编号,与课题内容无关,请选题时忽视;
2、若题目上备注三维,则表示文件里包含三维源文件,由于三维组成零件数量较多,为保证预览截图的简洁性,本站将三维文件夹进行了打包。三维及CAD预览截图,均为本站电脑打开软件进行截图的,保证能够打开,下载原件超高清,下载后解压即可;
3、本站所有资源如无特殊说明,都需要本地电脑安装Office2007。图纸软件为AutoCAD,PROE,UG,SolidWorks,CATIA等;
4、本站所有图文资料仅供用户学习参考,不作为任何商用或其他用途;
5、本站不保证下载资源的准确性、安全性和完整性, 不包修改,不支持退换,同时也不承担用户因使用这些下载资源对自己和他人造成任何形式的伤害或损失;
6、 下载文件中如有侵权或不适当内容,请与我们联系,我们立即纠正。