

作品包括:
Word版说明书1份,共17页,约5600字
CAD版本图纸,共4张
工序卡一张
工艺过程卡一张

目 录
第一章 前言 1
第二章 齿轮轴的加工工艺设计 1
1 零件图工艺性分析 1
1.1零件结构功用分析 1
1.2零件图纸分析 1
1.3主要技术条件 1
2.1 毛坯的结构确定 2
2.1毛坯的结构工艺要求 2
2..2毛坯形状、尺寸确定的要求 2
2..3毛坯类型 2
2.4毛坯余量确定 3
2.5毛坯-零件合图草图 3
2.6 基面的选择 3
2.7制定工艺路线 4
2.8 机械加工余量、工序尺寸及毛坯尺寸的确定 4
2.9设备及其工艺装备确定 4
3 确定切削用量及基本工时 4
4小结 9
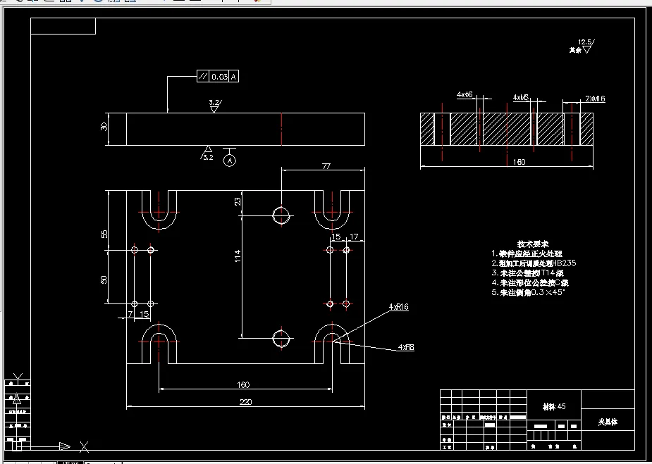
第三章 铣6mm键槽夹具设计 10
3.1 铣键槽夹具 10
3.2定位基准的选择 10
3.3定位元件的设计 10
3.4定位误差分析 10
3.5铣削力与夹紧力计算 10
3.6夹具体槽形装置设计 11
3.7夹紧装置及夹具体设计 12
3.8夹具设计及操作的简要说明 12
第五部分 设计体会 13
参 考 资 料 14
温馨提示:
1、题目前面的备注【字母数字编号】为本站整理分类的编号,与课题内容无关,请选题时忽视;
2、若题目上备注三维,则表示文件里包含三维源文件,由于三维组成零件数量较多,为保证预览截图的简洁性,本站将三维文件夹进行了打包。三维及CAD预览截图,均为本站电脑打开软件进行截图的,保证能够打开,下载原件超高清,下载后解压即可;
3、本站所有资源如无特殊说明,都需要本地电脑安装Office2007。图纸软件为AutoCAD,PROE,UG,SolidWorks,CATIA等;
4、本站所有图文资料仅供用户学习参考,不作为任何商用或其他用途;
5、本站不保证下载资源的准确性、安全性和完整性, 不包修改,不支持退换,同时也不承担用户因使用这些下载资源对自己和他人造成任何形式的伤害或损失;
6、 下载文件中如有侵权或不适当内容,请与我们联系,我们立即纠正。