

作品包括:
Word版说明书1份,共25页,约6500字
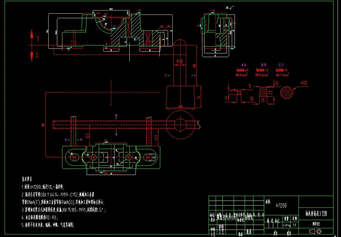
铸造工艺卡1张
CAD版本图纸,共5张

目 录
1 前言 1
1.1 本设计的目的、意义 1
1.1.1 本设计的目的 1
1.1.2 本设计的意义 1
1.2 本设计的技术要求 1
2 零件分析 2
2.1 零件结构信息 2
2.2 本设计的技术要求 2
3 设计方案 4
3.1 造型方法、造芯方法的选择 4
3.2 铸造方法的选择 4
3.3 铸型种类的选择 4
3.4 铸件浇注位置的确定 4
3.5 分型面的选择 5
4 铸造工艺参数 7
4.1 收缩率确定 7
4.2 灰铁铸出孔大小确定 7
4.3 尺寸公差和加工余量的确定 7
4.4 起模斜度 9
4.5 吃沙量确定 10
4.6 活块设计 11
5 浇注系统设计 12
5.1 浇注时间的确定 12
5.2 浇注系统的阻流截面积计算 13
6 工装设计 17
6.1 模样设计 17
6.2 模板设计 17
6.3 砂箱设计 18
7 结 论 20
致 谢 21
参 考 文 献 22
温馨提示:
1、题目前面的备注【字母数字编号】为本站整理分类的编号,与课题内容无关,请选题时忽视;
2、若题目上备注三维,则表示文件里包含三维源文件,由于三维组成零件数量较多,为保证预览截图的简洁性,本站将三维文件夹进行了打包。三维及CAD预览截图,均为本站电脑打开软件进行截图的,保证能够打开,下载原件超高清,下载后解压即可;
3、本站所有资源如无特殊说明,都需要本地电脑安装Office2007。图纸软件为AutoCAD,PROE,UG,SolidWorks,CATIA等;
4、本站所有图文资料仅供用户学习参考,不作为任何商用或其他用途;
5、本站不保证下载资源的准确性、安全性和完整性, 不包修改,不支持退换,同时也不承担用户因使用这些下载资源对自己和他人造成任何形式的伤害或损失;
6、 下载文件中如有侵权或不适当内容,请与我们联系,我们立即纠正。