

作品包括:
Word版说明书1份,共34页,约9500字
工序卡11张
工艺过程卡1张
CAD版本图纸,共4张
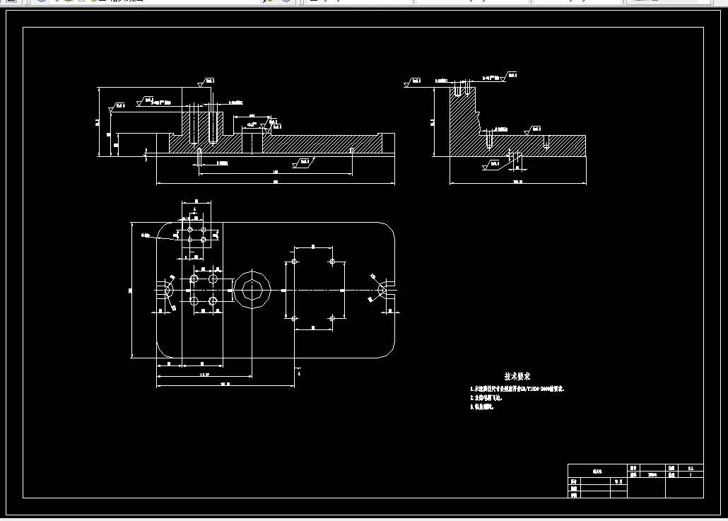
![1695799464122829.webp HOLJM01S`G$%`BA$E]N5PNN.webp](/static/upload/image/20230927/1695799464122829.webp)
摘要
在机床上加工工件时,定位和夹紧的全过程称为“安装”。在机床上用来完成工件安装任务的重要工艺装备,就是各类夹具中应用最为广泛的“机床夹具”。
机床夹具的种类很多,其中,使用范围最广的通用夹具,规格尺寸多已标准化,并且有专业的工厂进行生产。而广泛用于批量生产,专为某工件加工工序服务的专用夹具,则需要各制造厂根据工件加工工艺自行设计制造。本设计的主要内容是设计铣床夹具,需要对推动架上端面进行铣削加工
推动架零件上往往都有各种不同用途和不同精度的孔需要加工。在机械加工中,孔的加工量所占比例较大,其中钻头、扩孔钻、铰刀、镗刀等定尺寸刀具加工占相当多数。这时,除了要保证孔的尺寸精度外,还要达到孔的位置精度要求。在单件小批量生产中,用划线后找正孔轴线位置方法加工。在批量生产中一般都采用钻床夹具与镗床夹具,钻床夹具又称钻模,镗床夹具又称镗模,通过钻套、镗套引导刀具进行加工可准确地确定刀具与工件之间的相对位置。
关键词:机械加工;工艺规程;专用夹具;推动架
目录
摘要 I
Abstract II
1 课题主要研究内容 1
2 推动架零件的分析 2
2.1零件的作用和结构 2
2.2零件的工艺分析 2
2.3零件的生产纲领 2
3 推动架机械加工工艺规程设计 4
3.1零件加工的主要问题和工艺过程设计所应采取的相应措施 4
3.2基准的选择 4
3.3制定机械加工工艺路线 4
3.4工艺方案的比较与分析 6
3.4.1工序基准的选择 6
3.4.2工序尺寸的确定 6
3.5加工余量的确定 7
3.6切削用量及基本时间的确定 7
3.6.1工序3的设计 7
3.6.2工序4的设计 9
3.6.3工序5的设计 11
3.6.4工序6的设计 13
3.6.5工序7的设计 17
3.6.6工序8的设计 20
3.6.7工序9的设计 21
4 铣面的专用夹具设计 25
4.1 定位方案 25
4.2 夹紧方案 25
4.3定位元件设计 25
4.4夹紧元件设计 25
4.5 夹具体设计 25
4.6辅助元件设计 26
4.7 定位误差及夹紧力计算 26
4.8完整的结构设计 29
参考文献 30
温馨提示:
1、题目前面的备注【字母数字编号】为本站整理分类的编号,与课题内容无关,请选题时忽视;
2、若题目上备注三维,则表示文件里包含三维源文件,由于三维组成零件数量较多,为保证预览截图的简洁性,本站将三维文件夹进行了打包。三维及CAD预览截图,均为本站电脑打开软件进行截图的,保证能够打开,下载原件超高清,下载后解压即可;
3、本站所有资源如无特殊说明,都需要本地电脑安装Office2007。图纸软件为AutoCAD,PROE,UG,SolidWorks,CATIA等;
4、本站所有图文资料仅供用户学习参考,不作为任何商用或其他用途;
5、本站不保证下载资源的准确性、安全性和完整性, 不包修改,不支持退换,同时也不承担用户因使用这些下载资源对自己和他人造成任何形式的伤害或损失;
6、 下载文件中如有侵权或不适当内容,请与我们联系,我们立即纠正。