

作品包括:
Word版说明书1份,共31页,约10000字
综合工艺卡片一套
CAD版本图纸,共7张
![1697630263959652.webp DB9%83L__O4]2F}~8Y$`W7I.webp](/static/upload/image/20231018/1697630263959652.webp)
摘 要
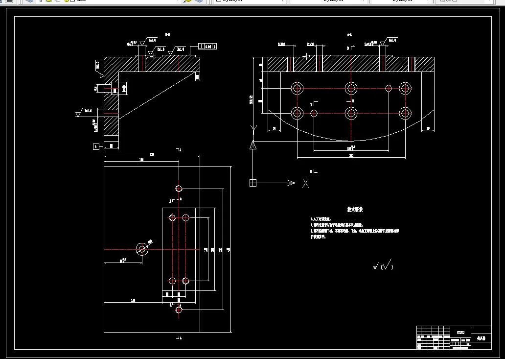
我所设计的要求:零件名称:舵机舱体,材料45钢,在加工中心上加工Ф110端面、Ф45孔的专用夹具;在卧式车床CA6140车粗车Ф100孔;粗车Ф105孔。由所给的资料知,首先查找舵机舱体相关资料,模锻件的形状要求,对舵机舱体结构形状进行分析, 接着对产品结构和工艺性进行分析,编写工艺(参考《典型零件工艺分析与加工》、《机械切削工人实用手册》),并拆画非标零件图(参考《机床夹具设计与使用一本通》)。
舵机舱体材料45钢,属于模锻件,再由《机械切削工人实用手册》查出舵机舱体各加工表面的毛坯余量,绘制出毛坯图,选择刀具、机床和量具等,并计算出各加工表面的工时。再以六点定位原理,选择夹具定位机构,计算分析定位误差,接着再参考常用夹紧机构和舵机舱体形状结构,选择合适的夹紧机构夹紧舵机舱体,计算出切削力和夹紧力,并校核,最后一步设计引导装置。
关键词:舵机舱体;专用夹具;工艺分析;六点定位原理
目 录
摘 要 1
Abstract 2
目 录 1
1绪论 2
1.机床夹具与生产技术准备 2
1.2机床夹具的经济效益 2
机床夹具的种类(专用、专用可调组合组合可调等)、同-类夹具的方案(单件、多件、手动和气液夹紧等)有很多,应采用在经济上合理的夹具。 2
1.3 设计课题 2
2 零件分析 3
2.1 舵机舱体的结构分析 3
2.2舵机舱体毛坯制造形式 3
2.3 舵机舱体机械加工余量 3
3工艺规程设计 5
3.1 定位基准的选择 5
3.2 制定加工工艺路线 5
3.3 选择切削用量、确定时间定额 6
4 车床夹具设计 23
4.1 问题的提出 23
4.2夹具定位分析 23
4.3 定位误差分析 24
4.4 车削力和夹紧力计算 26
4.5车床总装图 27
结 论 28
参考文献 29
温馨提示:
1、题目前面的备注【字母数字编号】为本站整理分类的编号,与课题内容无关,请选题时忽视;
2、若题目上备注三维,则表示文件里包含三维源文件,由于三维组成零件数量较多,为保证预览截图的简洁性,本站将三维文件夹进行了打包。三维及CAD预览截图,均为本站电脑打开软件进行截图的,保证能够打开,下载原件超高清,下载后解压即可;
3、本站所有资源如无特殊说明,都需要本地电脑安装Office2007。图纸软件为AutoCAD,PROE,UG,SolidWorks,CATIA等;
4、本站所有图文资料仅供用户学习参考,不作为任何商用或其他用途;
5、本站不保证下载资源的准确性、安全性和完整性, 不包修改,不支持退换,同时也不承担用户因使用这些下载资源对自己和他人造成任何形式的伤害或损失;
6、 下载文件中如有侵权或不适当内容,请与我们联系,我们立即纠正。