

作品包括:
Word版说明书1份,共23页,约7100字
工序卡9张
工艺过程卡1张
CAD版本图纸,共5张

摘 要
前钢板弹簧吊耳零件的工艺分析、夹具设计是这次课程设计的重点,也是难点,前钢板弹簧吊耳零件的工艺分析运用到工程材料、粗精基准、刀具和机床型号等,前钢板弹簧吊耳零件的夹具设计运用到六点定位原理、常用定位元件、夹紧装置、常用夹紧机构、对刀及引导装置和夹具体等。通过这次前钢板弹簧吊耳的课程设计,不但使我对这几年所学进行了一次复习、巩固,更是通过查阅相关资料,丰富了所学,对以往的不足进行补充。
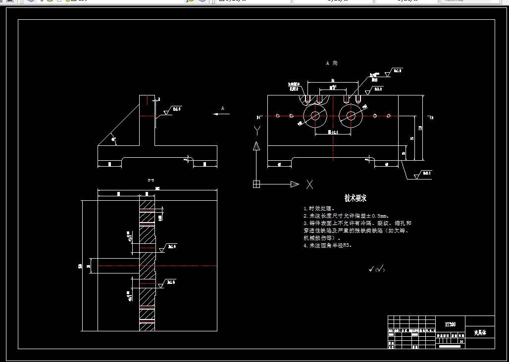
指导老师分配我的课题是前钢板弹簧吊耳零件机械加工工艺分析与钻夹具的设计(即前钢板弹簧吊耳钻2 Ф10.5孔的夹具),通过查阅图书馆中的资料及借阅的资料(其中主要参考的资料有《机械制造工艺与夹具课程设计指导》、《典型零件工艺分析与加工》、《机床夹具设计》和专业方面的教材),确定前钢板弹簧吊耳毛坯种类、各加工表面毛坯余量、各表面加工的先后顺序及各表面的加工方法、刀具型号和量具规格,夹具的定位元件、夹紧方案和导向机构等,最终完成整个设计。
关键词:前钢板弹簧吊耳、夹具设计、夹紧机构
目 录
摘 要 1
abstract 2
第1章 计算生产纲领、确定生产类型 3
1.1生产纲领 3
1.2生产效率分析 3
1.3生产类型 3
第2章 前钢板弹簧吊耳的工艺分析 5
2.1 前钢板弹簧吊耳的作用 5
2.2 前钢板弹簧吊耳工艺分析 5
第3章 前钢板弹簧吊耳的工艺 6
3.1前钢板弹簧吊耳毛坯 6
3.2基面的选择 6
3.1.1粗基准的选择原则 6
3.1.2精基准选择的原则 6
3.3前钢板弹簧吊耳的加工余量 7
3.4 前钢板弹簧吊耳工艺路线 8
3.4 前钢板弹簧吊耳工时计算 9
第5章 前钢板弹簧吊耳钻床夹具 16
5.1 加工要求 16
5.2 前钢板弹簧吊耳夹具的夹紧机构 16
5.2.1 钻削力计算 16
5.2.2 夹紧力计算 16
5.3 前钢板弹簧吊耳夹具的定位 17
5.4误差分析 17
5.5 引导装置 18
结 论 20
致 谢 21
参考文献 22
温馨提示:
1、题目前面的备注【字母数字编号】为本站整理分类的编号,与课题内容无关,请选题时忽视;
2、若题目上备注三维,则表示文件里包含三维源文件,由于三维组成零件数量较多,为保证预览截图的简洁性,本站将三维文件夹进行了打包。三维及CAD预览截图,均为本站电脑打开软件进行截图的,保证能够打开,下载原件超高清,下载后解压即可;
3、本站所有资源如无特殊说明,都需要本地电脑安装Office2007。图纸软件为AutoCAD,PROE,UG,SolidWorks,CATIA等;
4、本站所有图文资料仅供用户学习参考,不作为任何商用或其他用途;
5、本站不保证下载资源的准确性、安全性和完整性, 不包修改,不支持退换,同时也不承担用户因使用这些下载资源对自己和他人造成任何形式的伤害或损失;
6、 下载文件中如有侵权或不适当内容,请与我们联系,我们立即纠正。