

作品包括:
Word版说明书1份,共23页,约10000字
工序卡7张
工艺过程卡1张
CAD版本图纸,共4张

目 录
摘 要 3
绪 论 5
第一章、零件的分析 6
1.1.生产纲领的计算 6
1.2.确定生产类型 6
1.3.产品图绘制 7
1.4.分析零件形状和尺寸 7
第二章、工艺过程设计 8
2.1.毛坯的选择 8
2.2.定位基准的选择 8
2.3.零件表面加工方法的选择 8
2.4.划分加工阶段 9
第三章、确定机械加工余量及毛坯尺寸、设计毛坯图 10
3.1.确定机械加工余量 10
3.2.设计毛坯图 10
3.3.毛坯热处理 10
第四章、加工过程分析与加工设备选择 11
4.1.加工工艺过程 11
4.2.选择加工设备和工艺设备 12
第五章、确定切削用量及基本时间(机动时间) 13
5.1.工序20(车端面及外圆)的切削用量及基本时间计算 13
5.1.1.半精车一端端面 13
5.1.2.粗车一端外圆 13
5.1.3.精车一端外圆 14
5.2.工序30(车另一端面、外圆)的切削用量及基本时间计算 14
5.2.1.半精车另一端端面 14
5.2.2.粗车一端外圆 15
5.2.3.精车一端外圆 15
5.3.工序40(钻中心预孔φ12mm)的切削用量及基本时间计算 16
5.4.工序50(扩,铰中心孔)的切削用量及基本时间计算 16
5.4.1.扩中心孔φ24.8mm孔计算 16
5.4.2.铰孔φ25mm孔计算 16
5.5.工序60(铣侧面方槽)的切削用量及基本时间计算 17
5.5.1.粗铣方槽 17
5.5.2.精铣方槽 17
5.6.工序70:钻孔φ6mm切削用量及基本时间计算 18
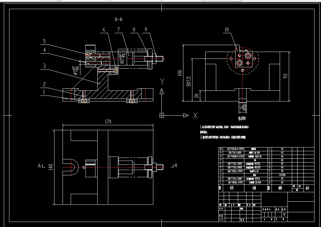
第六章、专用铣床夹具设计分析 19
6.1问题的提出 19
6.2 定位基准的选择 19
6.3切削力和夹紧力的计算 19
6.4定位误差分析 20
6.5夹具设计及操作的简要说明 20
设计小结 21
致 谢 22
参考文献 23
温馨提示:
1、题目前面的备注【字母数字编号】为本站整理分类的编号,与课题内容无关,请选题时忽视;
2、若题目上备注三维,则表示文件里包含三维源文件,由于三维组成零件数量较多,为保证预览截图的简洁性,本站将三维文件夹进行了打包。三维及CAD预览截图,均为本站电脑打开软件进行截图的,保证能够打开,下载原件超高清,下载后解压即可;
3、本站所有资源如无特殊说明,都需要本地电脑安装Office2007。图纸软件为AutoCAD,PROE,UG,SolidWorks,CATIA等;
4、本站所有图文资料仅供用户学习参考,不作为任何商用或其他用途;
5、本站不保证下载资源的准确性、安全性和完整性, 不包修改,不支持退换,同时也不承担用户因使用这些下载资源对自己和他人造成任何形式的伤害或损失;
6、 下载文件中如有侵权或不适当内容,请与我们联系,我们立即纠正。