

作品包括:
Word版设计说明书1份,共37页,约12000字
工序卡6张
工艺过程卡1张
CAD版本图纸,共6张
SW三维图一套

摘 要
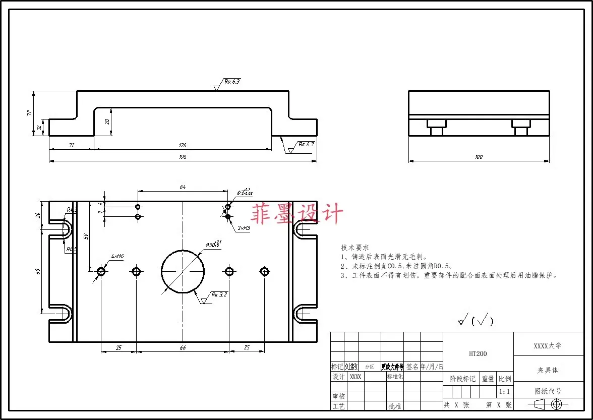
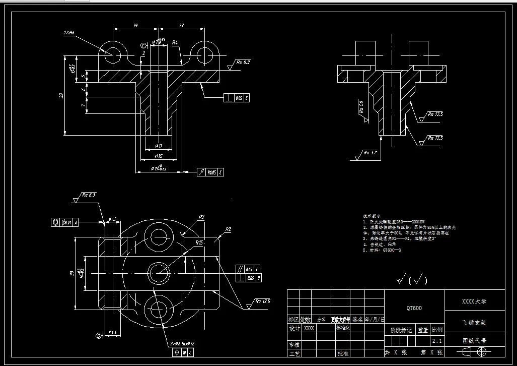
飞锤支架夹具是一种用于夹持、固定和定位工件的工具或设备,通常用于制造、装配、检验和加工过程中。设计飞锤支架夹具的主要目的是提高生产效率、确保产品质量、降低人工操作的难度,以及确保工件在加工或装配过程中的准确性和一致性,因此对飞锤支架夹具的研究能够提升机床加工效率、提高作业生产力的辅助工具,对于机械零件的加工有着重要的意义。
本文基于此以飞锤支架类零件为研究对象设计一款能够方便快速多工位装夹的夹具工装,首先通过对零件的作用和工艺分析以及具体生产类型确定零件的毛坯,然后根据零件生产精度和进度安排确定本次设计的工艺流程和工序尺寸、加工余量等,并根据所设计工序进行进一步计算从而计算工序所需要的切削余量和切削时间等参数,最后针对所设计的工序钻孔夹具进行分析和进行具体的夹具设计,通过计算机软件CAD和SolidWorks软件对零件图进行绘制和建模,参数化设计提高设计的准确性,并采用采用有限元分析方法对夹具进行优化分析,提高夹具设计的可靠性和经济性,通过本次设计在提高自己对知识所学的同时为多工位的快速夹具设计提供一定的借鉴依据。
关键词:工艺分析;加工余量;CAD;参数化设计;夹具工装;
目 录
摘 要 I
ABSTRACT II
1 绪论 5
1.1 课题背景及研究意义 5
1.1.1研究背景 5
1.1.2研究意义 5
1.2 机床夹具国内外的现状与分析 5
1.2.1国外研究现状 5
1.2.2国内研究现状 6
1.3 研究的内容 6
2 零件分析和工艺规程的制定 8
2.1 零件作用 8
2.2 零件工艺分析 8
2.3 确定毛坯形式和余量 9
2.3.1 确定毛坯形式 9
2.3.2毛胚的机械加工余量 10
2.4基准选择 10
2.4.1 定位基准的选择 10
2.4.2粗基准的选择 11
2.4.3精基准的选择 11
2.4.4零件加工阶段的划分 11
2.4.5 工序的集中与分散 12
2.5 生产纲领和生产类型的计算 12
2.5.1生产纲领 12
2.5.2生产类型 13
2.6工艺方案的比较和选择 13
2.7选择加工设备和工艺设备 15
3 工序的加工计算 16
3.1粗车Ф11回转面,粗车Ф15回转面,粗车Ф19回转面、粗车右端面T1,粗车右端面T2 16
3.2钻、铰Ф7mm孔 19
3.3精车Ф19及台阶面T2、Ф11右端面T1 21
3.4钻2-Ф6.5mm孔,锪平Ф12mm的沉头孔 24
3.5钻、铰2-Ф6.5mm孔 26
3.5铣宽14mm的槽 28
第4章 夹具设计 30
4.1问题的提出 30
4.2定位基准和定位方案设计 30
4.3切削力和夹紧力的计算 30
4.3.1切削力计算 30
4.3.2夹紧力计算 31
4.4定位误差分析 32
4.5夹具设计及操作的简要说明 33
总 结 35
致 谢 36
参 考 文 献 37
温馨提示:
1、题目前面的备注【字母数字编号】为本站整理分类的编号,与课题内容无关,请选题时忽视;
2、若题目上备注三维,则表示文件里包含三维源文件,由于三维组成零件数量较多,为保证预览截图的简洁性,本站将三维文件夹进行了打包。三维及CAD预览截图,均为本站电脑打开软件进行截图的,保证能够打开,下载原件超高清,下载后解压即可;
3、本站所有资源如无特殊说明,都需要本地电脑安装Office2007。图纸软件为AutoCAD,PROE,UG,SolidWorks,CATIA等;
4、本站所有图文资料仅供用户学习参考,不作为任何商用或其他用途;
5、本站不保证下载资源的准确性、安全性和完整性, 不包修改,不支持退换,同时也不承担用户因使用这些下载资源对自己和他人造成任何形式的伤害或损失;
6、 下载文件中如有侵权或不适当内容,请与我们联系,我们立即纠正。