

作品包括:
Word版说明书1份,共23页,约9500字
CAD版本图纸,共5张
Proe三维图一份
目 录
第1章 绪论 3
1.1 机床夹具的概述 3
1.2 机床夹具的分类 3
1.3 夹具设计的特点和基本要求 4
1.3.1 夹具设计的特点 4
1.3.2 设计的基本要求 5
1.4 机床夹具在机械加工中的作用 5
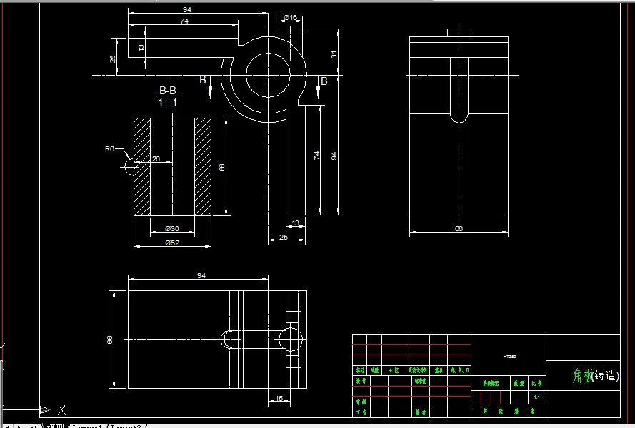
第2章 角板机械加工工艺规程设计 7
2.1 零件的作用和工艺分析及生产类型的确定 7
2.1.1 零件的作用 7
2.1.2 零件的工艺分析 7
2.1.3 零件生产类型的确定 7
2.2 零件工艺规程设计 8
2.2.1 零件制造形式的确定 8
2.2.2 毛坯尺寸的确定 8
2.2.3 基准的选择 8
2.3 制定加工工艺路线 9
2.4 机械加工余量,工序尺寸及毛坯尺寸的确定 10
2.5 确定切削用量及基本工时 12
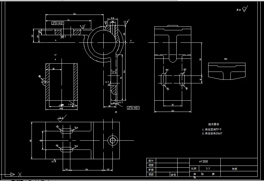
第3章 专用夹具的设计 18
3.1 问题的提出 18
3.2 夹具设计 18
3.2.1 对定位元件的基本要求 18
3.2.2 确定定位方案与定位元件的原则 18
3.2.3 夹紧装置设计的基本要求及遵循原则 19
3.2.4 定位方案及定位元件的确定 19
3.2.5 定位基准的选择 20
3.2.6 钻削力及夹紧力计算 20
3.2.7 确定夹紧机构 21
第4章 结论 22
参考文献 23
温馨提示:
1、题目前面的备注【字母数字编号】为本站整理分类的编号,与课题内容无关,请选题时忽视;
2、若题目上备注三维,则表示文件里包含三维源文件,由于三维组成零件数量较多,为保证预览截图的简洁性,本站将三维文件夹进行了打包。三维及CAD预览截图,均为本站电脑打开软件进行截图的,保证能够打开,下载原件超高清,下载后解压即可;
3、本站所有资源如无特殊说明,都需要本地电脑安装Office2007。图纸软件为AutoCAD,PROE,UG,SolidWorks,CATIA等;
4、本站所有图文资料仅供用户学习参考,不作为任何商用或其他用途;
5、本站不保证下载资源的准确性、安全性和完整性, 不包修改,不支持退换,同时也不承担用户因使用这些下载资源对自己和他人造成任何形式的伤害或损失;
6、 下载文件中如有侵权或不适当内容,请与我们联系,我们立即纠正。