

作品包括:
说明书1份,共35页,约12000字左右
工序卡一张
过程卡一张
CAD版本图纸,共6张

摘 要
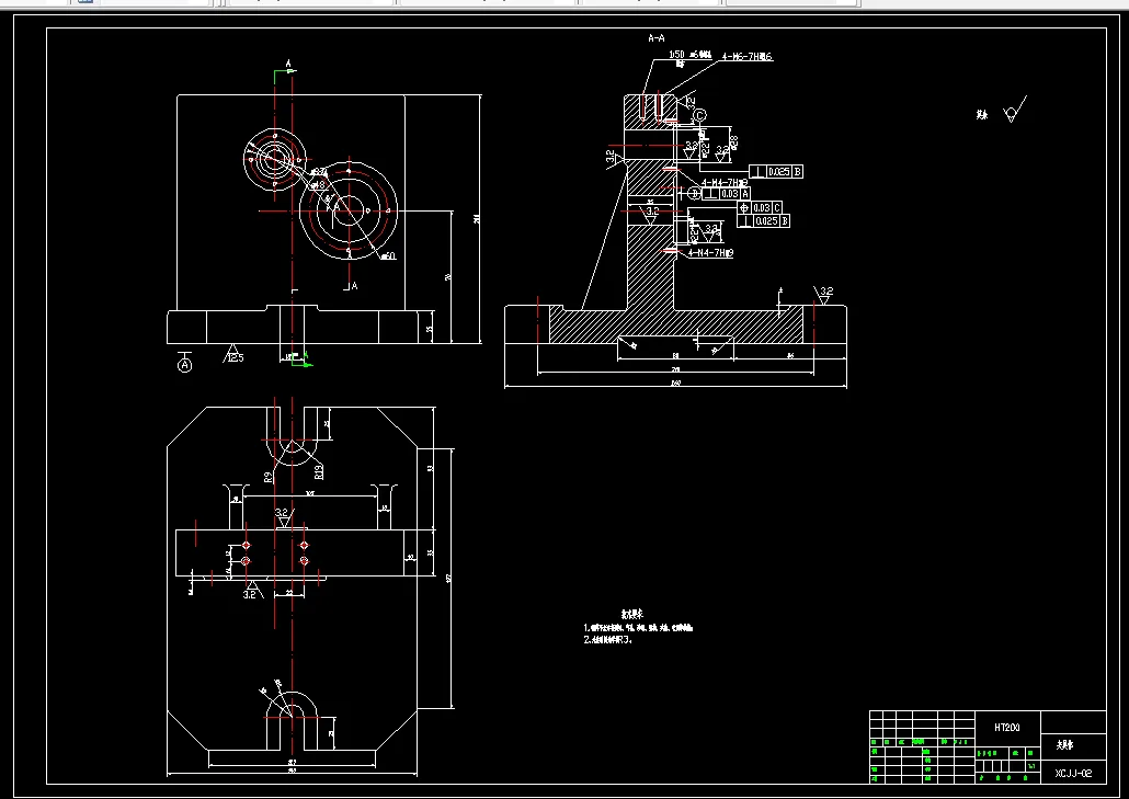
本设计是基于变速叉零件的加工工艺规程及一些工序的专用夹具设计。变速叉零件的主要加工表面是平面及孔系。一般来说,保证平面的加工精度要比保证孔系的加工精度容易。因此,本设计遵循先面后孔的原则。并将孔与平面的加工明确划分成粗加工和精加工阶段以保证孔系加工精度。主要加工工序安排是先以支承孔系定位加工出顶平面,再以顶平面与支承孔系定位加工出工艺孔。在后续工序中除个别工序外均用顶平面和工艺孔定位加工其他孔系与平面。支承孔系的加工采用的是坐标法镗孔。整个加工过程均选用通用。夹具选用专用夹具,夹紧方式多选用气动夹紧,夹紧可靠,机构可以不必自锁,因此生产效率较高,适用于大批量、流水线上加工,能够满足设计要求。
关键词:变速叉类零件;工艺;夹具;
目 录
摘 要 1
ABSTRACT 2
第1章 机械加工工艺规程设计 2
1.1 零件的分析 2
1.1.1 零件的作用 2
1.2 变速叉加工的主要问题和工艺过程设计所应采取的相应措施 3
1.2.1 孔和平面的加工顺序 3
1.2.2 孔系加工方案选择 3
1.3 变速叉加工定位基准的选择 4
1.3.1 粗基准的选择 4
1.3.2 精基准的选择 4
1.4 变速叉加工主要工序安排 4
1.5 机械加工余量、工序尺寸及毛坯尺寸的确定 7
1.6 毛坯种类的选择 7
1.7 选择加工设备和工艺装备 8
1.7.1 机床选用 8
1.7.2 选择刀具 8
1.7.3 选择量具 9
1.8 机械加工余量、工序尺寸及毛坯尺寸的确定 9
1.9确定切削用量及基本工时(机动时间) 10
1.10 时间定额计算及生产安排 23
第2章 钻孔夹具设计 25
2.1研究原始质料 25
2.2定位基准的选择 25
2.3 切削力及夹紧力的计算 25
2.4误差分析与计算 26
2.5 零、部件的设计与选用 27
2.5.1定位销选用 27
2.5.3 钻套、衬套、钻模板设计与选用 28
2.6夹具设计及操作的简要说明 29
总 结 30
参考文献 31
致 谢 32
温馨提示:
1、题目前面的备注【字母数字编号】为本站整理分类的编号,与课题内容无关,请选题时忽视;
2、若题目上备注三维,则表示文件里包含三维源文件,由于三维组成零件数量较多,为保证预览截图的简洁性,本站将三维文件夹进行了打包。三维及CAD预览截图,均为本站电脑打开软件进行截图的,保证能够打开,下载原件超高清,下载后解压即可;
3、本站所有资源如无特殊说明,都需要本地电脑安装Office2007。图纸软件为AutoCAD,PROE,UG,SolidWorks,CATIA等;
4、本站所有图文资料仅供用户学习参考,不作为任何商用或其他用途;
5、本站不保证下载资源的准确性、安全性和完整性, 不包修改,不支持退换,同时也不承担用户因使用这些下载资源对自己和他人造成任何形式的伤害或损失;
6、 下载文件中如有侵权或不适当内容,请与我们联系,我们立即纠正。