

作品包括:
Word版说明书1份,共38页,约15000字
工序卡8张
工艺过程卡1张
CAD版本图纸,共11张
UG三维图一份

摘要
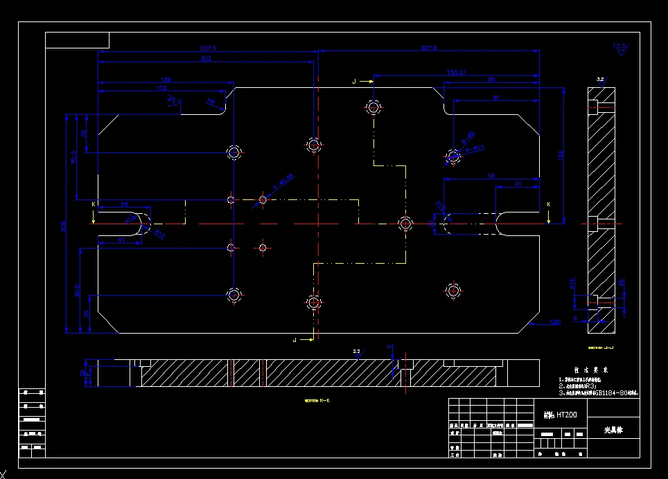
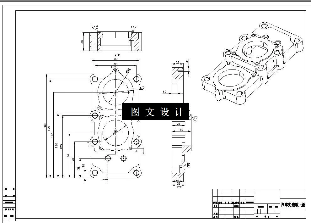
本设计是变速箱上盖夹具设计,因为考虑到了变速箱上盖工件的材料和毛坯是经过模具压铸生产来完成的,从结构和形状上面来说上是符合毛坯压铸方法要求。为了能在不拆卸整个上盖的条件下来检查与维修变速箱内部元件的运作与故障情况,在零件的设计时在变速箱上盖的顶部设计两个检查窗口,设计为一凸台构型。为了使变速箱箱体与上盖有一个良好的密封性,上盖与箱体通过使用螺栓和定位销结合时,使用大的接触面。当然在装配是同样需要较高的装配精密度。它在加工的时候以及工艺钻铣孔的夹具,设计内容主要包括本个产品的加工方案和工艺的分析设计、加工的工步计和钻铣平面的专用装夹工具设计这个三部分。在进行工艺的设计前,我优先先对本产品做了很全面的结构分析,知道了零件的各个工艺要求,然后再通过计算设计得出的毛坯,并对选取零件的各个加工生产的基准,进行设计零件所有的生产工艺线路;再对产品中的多个工步进行尺寸的校核弹与计算,重点计算了多各个种工序中的工艺方案装备和铣切削时的量;并对这个专用的装夹工具进行了一系列设计,再计算到本夹具的具体定位的过程中可能出出现精准定位的误差值,同时也分析出本夹具详细的结构和结构性的不足,这些问题我会在日后的工作中改进。
关键词:工艺设计,工序安排,切削量,夹具设计,钻铣加工:精度要求
目 录
摘要 7
ABSTRACT 0
目 录 1
第一章 绪论 3
第二章 加工工艺规程设计 5
2.1 零件的分析 5
2.1.1 零件的作用 5
2.1.2 零件的工艺分析 6
2.2 汽车变速箱上盖加工的工艺过程设计与相应措施 6
2.2.2 孔系加工方案选择 7
2.3定位基准的选择 7
2.3.1 粗基准的选择 8
2.3.2 精基准的选择 9
2.4 汽车变速箱上盖加工主要工序安排 9
2.5 机械加工余量、工序尺寸及毛坯尺寸的确定 11
2.5.1精基准选择的原则 12
2.6确定切削用量及基本工时(机动时间) 13
2.7 机床生产率计算 21
第三章 汽车变速箱上盖的夹具设计 23
3.1设计要求 23
3.2夹具设计 23
3.2.1 定位基准的选择 23
3.2.2 定位基准的选择 24
3.2.3 定位方案和元件设计 24
3.2.4 夹紧方案和夹紧元件设计 24
3.2.5 切削力及夹紧力的计算 26
3.3定位误差的分析 28
3.4夹具设计及操作的简要说明 29
第四章 总 结 30
参考文献 31
致 谢 32
附录 33
温馨提示:
1、题目前面的备注【字母数字编号】为本站整理分类的编号,与课题内容无关,请选题时忽视;
2、若题目上备注三维,则表示文件里包含三维源文件,由于三维组成零件数量较多,为保证预览截图的简洁性,本站将三维文件夹进行了打包。三维及CAD预览截图,均为本站电脑打开软件进行截图的,保证能够打开,下载原件超高清,下载后解压即可;
3、本站所有资源如无特殊说明,都需要本地电脑安装Office2007。图纸软件为AutoCAD,PROE,UG,SolidWorks,CATIA等;
4、本站所有图文资料仅供用户学习参考,不作为任何商用或其他用途;
5、本站不保证下载资源的准确性、安全性和完整性, 不包修改,不支持退换,同时也不承担用户因使用这些下载资源对自己和他人造成任何形式的伤害或损失;
6、 下载文件中如有侵权或不适当内容,请与我们联系,我们立即纠正。