

作品包括:
Word版说明书1份,共20页,约7100字
工序卡1张
工艺过程卡1张
CAD版本图纸,共4张
UG三维图一套

目 录
1 零件工艺分析及生产类型确定 2
1.1 零件的用途 2
1.2 零件的技术要求 2
1.3 审查零件工艺性 2
1.4 确定零件生产类型 2
2 确定毛坯、绘制毛坯简图 4
2.1选择毛坯 4
2.2 确定毛坯的尺寸公差和机械加工余量 4
2.3 绘制毛坯简图 6
3 拟定加工工艺路线 7
3.1 定位基准的选择 7
3.2 表面加工方法的确定 8
3.3 加工阶段的划分 8
3.4 工序的集中与分散 9
3.5工序顺序的安排 9
3.6 确定工艺路线 10
4 加工余量、工序尺寸和公差的确定 12
5 切削用量、时间定额的计算 14
5.1 切削用量的计算 14
4.进给量的选择 14
5.2 时间定额的计算 14
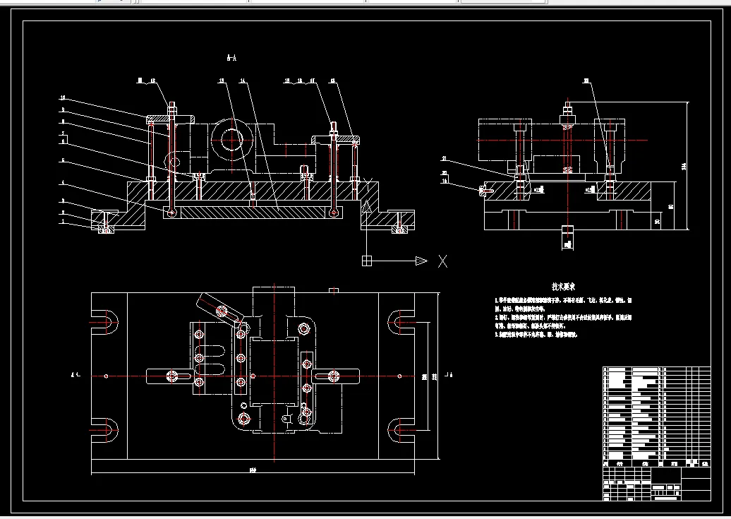
6 专用夹具设计 16
6.1 铣削力计算与夹紧力分析 16
6.2 铣左侧Ф70端面专用夹具方案分析 16
6.3 定位误差分析及计算 17
6.4 对刀导向元件设计 17
6.5 夹具操作及维护说明 19
7 参考文献 20
温馨提示:
1、题目前面的备注【字母数字编号】为本站整理分类的编号,与课题内容无关,请选题时忽视;
2、若题目上备注三维,则表示文件里包含三维源文件,由于三维组成零件数量较多,为保证预览截图的简洁性,本站将三维文件夹进行了打包。三维及CAD预览截图,均为本站电脑打开软件进行截图的,保证能够打开,下载原件超高清,下载后解压即可;
3、本站所有资源如无特殊说明,都需要本地电脑安装Office2007。图纸软件为AutoCAD,PROE,UG,SolidWorks,CATIA等;
4、本站所有图文资料仅供用户学习参考,不作为任何商用或其他用途;
5、本站不保证下载资源的准确性、安全性和完整性, 不包修改,不支持退换,同时也不承担用户因使用这些下载资源对自己和他人造成任何形式的伤害或损失;
6、 下载文件中如有侵权或不适当内容,请与我们联系,我们立即纠正。