

作品包括:
Word版设计说明书1份,共18页,约3100字
工序卡14张
工艺过程卡1张
CAD版本图纸,共4张

摘要
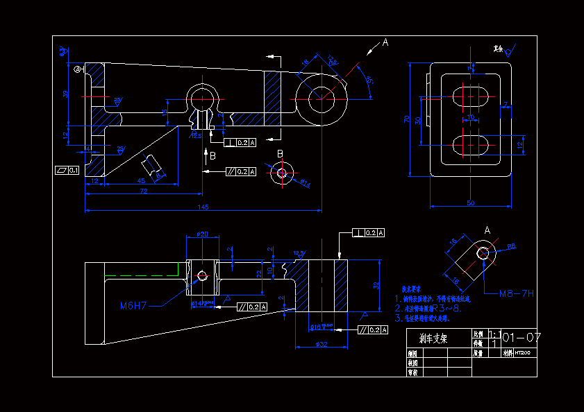
刹车支架加工工艺及钻孔夹具设计 卧式钻:左侧面定位控制3个自由度(俯视图),右侧V型块定位控制2个自由度、并夹紧,后方使用支撑钉定位、控制1个自由度。夹紧面选择直径16mm的孔外圆夹紧,可以保证在夹紧过程中不影响零件形状,刚性较好
目录
1. 序言………………………………………………………………………………3
2. 任务介绍…………………………………………………………………………4
3. 夹具设计…………………………………………………………………………6
一、定位与夹紧方案选择 ……………………………………………………6
二、定位误差分析 ……………………………………………………………12
三、夹紧力钻削力计算 ………………………………………………………13
四、夹具零件以及工艺分析 …………………………………………………15
4. 总结 ……………………………………………………………………………17
5. 参考文献 ………………………………………………………………………18
温馨提示:
1、题目前面的备注【字母数字编号】为本站整理分类的编号,与课题内容无关,请选题时忽视;
2、若题目上备注三维,则表示文件里包含三维源文件,由于三维组成零件数量较多,为保证预览截图的简洁性,本站将三维文件夹进行了打包。三维及CAD预览截图,均为本站电脑打开软件进行截图的,保证能够打开,下载原件超高清,下载后解压即可;
3、本站所有资源如无特殊说明,都需要本地电脑安装Office2007。图纸软件为AutoCAD,PROE,UG,SolidWorks,CATIA等;
4、本站所有图文资料仅供用户学习参考,不作为任何商用或其他用途;
5、本站不保证下载资源的准确性、安全性和完整性, 不包修改,不支持退换,同时也不承担用户因使用这些下载资源对自己和他人造成任何形式的伤害或损失;
6、 下载文件中如有侵权或不适当内容,请与我们联系,我们立即纠正。