

作品包括:
Word设计说明书1份,共49页,约18000字
任务书一份
开题报告一份
外文翻译一份
PPT答辩一份
工序卡16张
工艺过程卡1张
CAD版本图纸,共2张
UG三维零件图1张

摘要
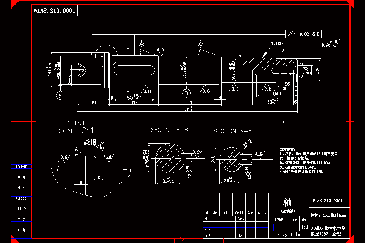
WIA8.310.0001驱动轴工艺及铣键槽夹具设计 WIA8.310.0001驱动轴是用在直齿减速箱上的主动轴,属于阶梯轴。轴类零件是机器中经常遇到的典型零件之一。它在机械中主要用于支承齿轮、带轮、凸轮以及连杆等传动件,以传递扭矩,并保证装在轴上零件的回转精度。 本次课题主要是通过对WIA8.310.0001驱动轴进行相关工艺分析,从而制定出切实可行的加工工艺路线,并完成一份WIA8.310.0001驱动轴的二维CAD图的绘制;通过对驱动轴机械加工工艺路线的制定,完成相关的工艺过程卡及工序卡各一份;并完成驱动轴铣键槽专用夹具的设计,绘制一份铣键槽专用夹具的总装图;最终完成WIA8.310.0001驱动轴相关课程设计说明书
温馨提示:
1、题目前面的备注【字母数字编号】为本站整理分类的编号,与课题内容无关,请选题时忽视;
2、若题目上备注三维,则表示文件里包含三维源文件,由于三维组成零件数量较多,为保证预览截图的简洁性,本站将三维文件夹进行了打包。三维及CAD预览截图,均为本站电脑打开软件进行截图的,保证能够打开,下载原件超高清,下载后解压即可;
3、本站所有资源如无特殊说明,都需要本地电脑安装Office2007。图纸软件为AutoCAD,PROE,UG,SolidWorks,CATIA等;
4、本站所有图文资料仅供用户学习参考,不作为任何商用或其他用途;
5、本站不保证下载资源的准确性、安全性和完整性, 不包修改,不支持退换,同时也不承担用户因使用这些下载资源对自己和他人造成任何形式的伤害或损失;
6、 下载文件中如有侵权或不适当内容,请与我们联系,我们立即纠正。